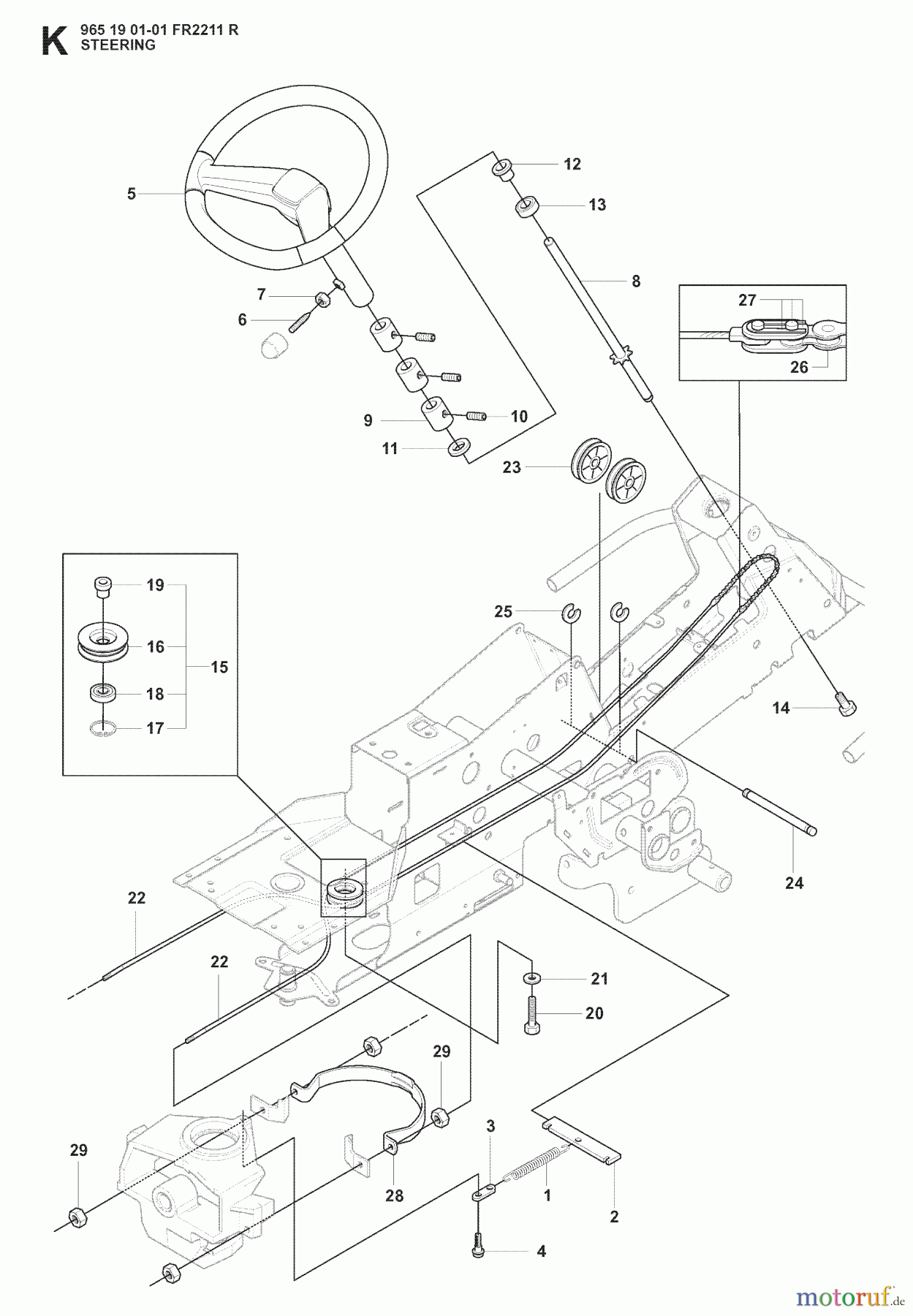
Jonsered FR2211 R (965190101) - Rear-Engine Riding Mower (2008-02) STEERING Ersatzteile
STEERING FR2211 R (965190101) - Jonsered Rear-Engine Riding Mower (2008-02)

Hier finden Sie die Ersatzteilzeichnung für Jonsered Reitermäher FR2211 R (965190101) - Jonsered Rear-Engine Riding Mower (2008-02) STEERING. Wählen Sie das benötigte Ersatzteil aus der Ersatzteilliste Ihres Jonsered Gerätes aus und bestellen Sie einfach online. Viele Jonsered Ersatzteile halten wir ständig in unserem Lager für Sie bereit.







