Jonsered FR2116 MA (953535401) - Rear-Engine Riding Mower (2004-01) ENGINE Ersatzteile
ENGINE FR2116 MA (953535401) - Jonsered Rear-Engine Riding Mower (2004-01)

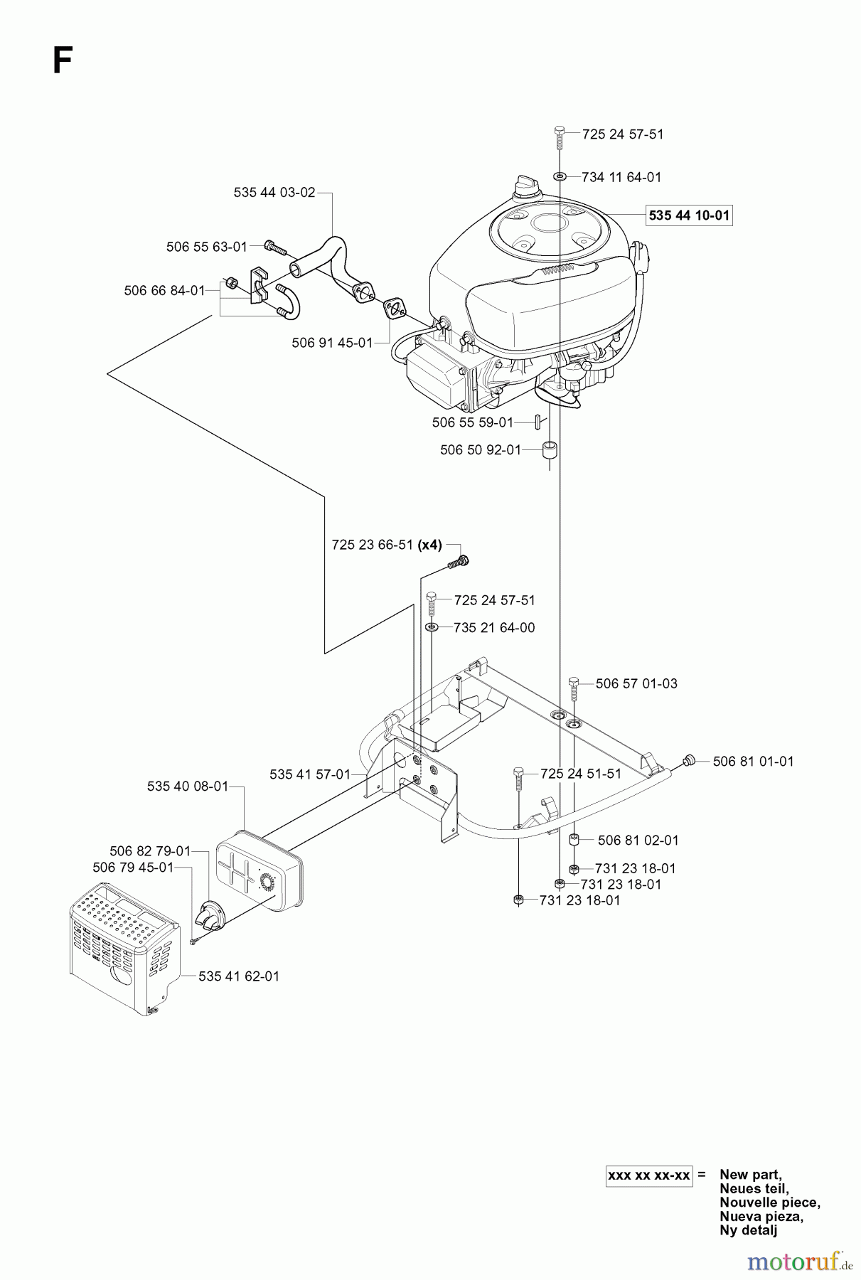
Hier finden Sie die Ersatzteilzeichnung für Jonsered Reitermäher FR2116 MA (953535401) - Jonsered Rear-Engine Riding Mower (2004-01) ENGINE. Wählen Sie das benötigte Ersatzteil aus der Ersatzteilliste Ihres Jonsered Gerätes aus und bestellen Sie einfach online. Viele Jonsered Ersatzteile halten wir ständig in unserem Lager für Sie bereit.
| BildNr | Artikel Nummer | Bezeichnung | |
| 5354403-02 | 535 44 03-02 | ROHR | |
| 5065563-01 | ![]() | 506 55 63-01 | SCHRAUBE |
| 5066684-01 | 506 66 84-01 | KLAMMER | |
| 5069145-01 | 506 91 45-01 | DICHTUNG | |
| 7252366-51 | 725 23 66-51 | SCHRAUBE | |
| 5354157-01 | 535 41 57-01 | FANGBUEGEL | |
| 5354008-01 | 535 40 08-01 | SCHALLDAEMPFER | |
| 5068279-01 | 506 82 79-01 | ROHR | |
| 5067945-01 | 506 79 45-01 | SCHRAUBE | |
| 5354162-01 | 535 41 62-01 | SCHUTZ | |
| 7312318-01 | 695008078 | ||
| 5068102-01 | 506 81 02-01 | ABSTANDSSTUECK | |
| 7252451-51 | 725 24 51-51 | Schraube 8X20 | |
| 5068101-01 | 506 81 01-01 | PFROPFEN | |
| 5065701-03 | 506 57 01-03 | BOLZEN | |
| 7352164-00 | 735 21 64-00 | SCHEIBE | |
| 7252457-51 | 725 24 57-51 | SCHRAUBE | |
| 5065092-01 | 506 50 92-01 | ABSTANDHÜLSE | |
| 5065559-01 | 506 55 59-01 | Keil | |
| 5354410-01 | 535 44 10-01 | MOTOR B&S NUR UEBER B&S | |
| 7341164-01 | 734 11 64-01 | SCHEIBE | |


Qualitätsmanagement
Informieren Sie uns, wenn Sie einen Fehler gefunden haben.


