Jonsered FR2111 M (965190201) - Rear-Engine Riding Mower (2010-07) HEIGHT ADJUSTMENT Ersatzteile
HEIGHT ADJUSTMENT FR2111 M (965190201) - Jonsered Rear-Engine Riding Mower (2010-07)

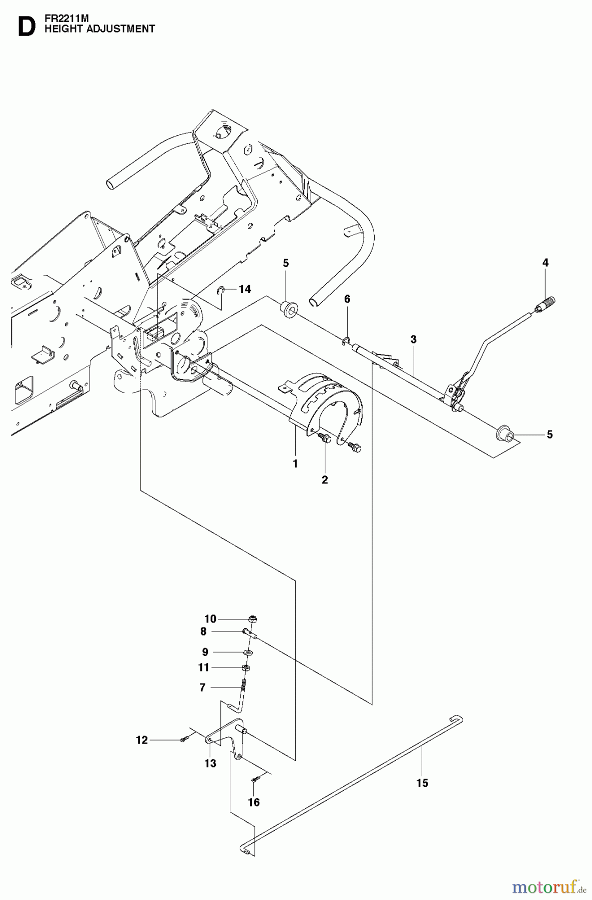
Hier finden Sie die Ersatzteilzeichnung für Jonsered Reitermäher FR2111 M (965190201) - Jonsered Rear-Engine Riding Mower (2010-07) HEIGHT ADJUSTMENT. Wählen Sie das benötigte Ersatzteil aus der Ersatzteilliste Ihres Jonsered Gerätes aus und bestellen Sie einfach online. Viele Jonsered Ersatzteile halten wir ständig in unserem Lager für Sie bereit.


Qualitätsmanagement
Informieren Sie uns, wenn Sie einen Fehler gefunden haben.



