Jonsered LT2227 A2 (96041007100) - Lawn & Garden Tractor (2008-02) STEERING Ersatzteile
STEERING LT2227 A2 (96041007100) - Jonsered Lawn & Garden Tractor (2008-02)

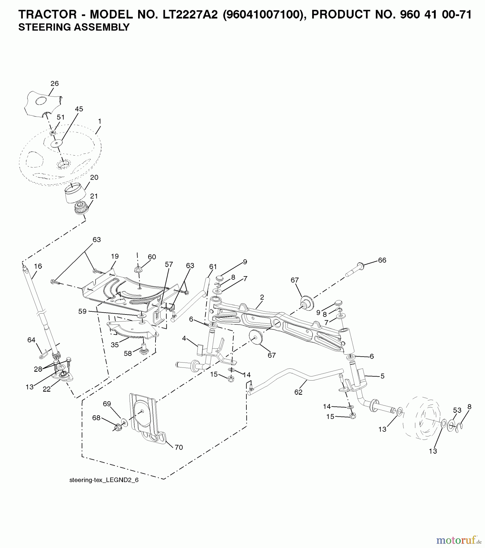
Hier finden Sie die Ersatzteilzeichnung für Jonsered Rasen und Garten Traktoren LT2227 A2 (96041007100) - Jonsered Lawn & Garden Tractor (2008-02) STEERING. Wählen Sie das benötigte Ersatzteil aus der Ersatzteilliste Ihres Jonsered Gerätes aus und bestellen Sie einfach online. Viele Jonsered Ersatzteile halten wir ständig in unserem Lager für Sie bereit.












