Jonsered LT2226 A2 (96041014502) - Lawn & Garden Tractor (2012-01) DRIVE Ersatzteile
DRIVE LT2226 A2 (96041014502) - Jonsered Lawn & Garden Tractor (2012-01)

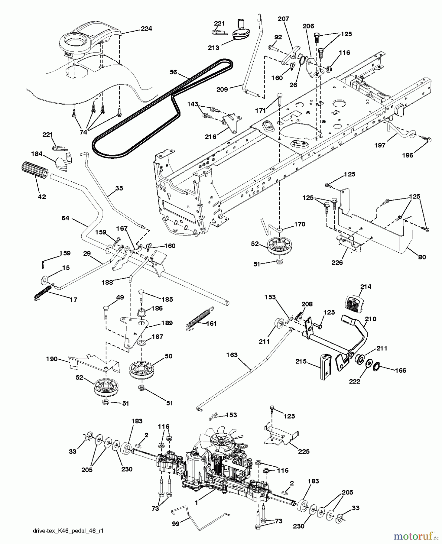
Hier finden Sie die Ersatzteilzeichnung für Jonsered Rasen und Garten Traktoren LT2226 A2 (96041014502) - Jonsered Lawn & Garden Tractor (2012-01) DRIVE. Wählen Sie das benötigte Ersatzteil aus der Ersatzteilliste Ihres Jonsered Gerätes aus und bestellen Sie einfach online. Viele Jonsered Ersatzteile halten wir ständig in unserem Lager für Sie bereit.









