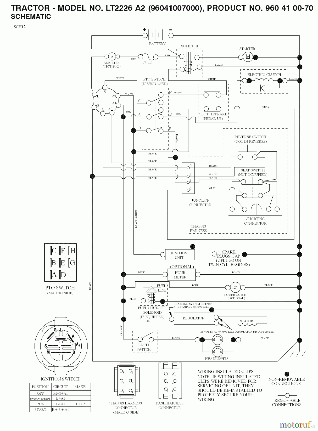
Jonsered LT2226 A2 (96041007000) - Lawn & Garden Tractor (2008-02) SCHEMATIC Ersatzteile
SCHEMATIC LT2226 A2 (96041007000) - Jonsered Lawn & Garden Tractor (2008-02)

Hier finden Sie die Ersatzteilzeichnung für Jonsered Rasen und Garten Traktoren LT2226 A2 (96041007000) - Jonsered Lawn & Garden Tractor (2008-02) SCHEMATIC. Wählen Sie das benötigte Ersatzteil aus der Ersatzteilliste Ihres Jonsered Gerätes aus und bestellen Sie einfach online. Viele Jonsered Ersatzteile halten wir ständig in unserem Lager für Sie bereit.



