Jonsered LT2223 CMA2 (96061032400) - Lawn & Garden Tractor (2010-11) ENGINE Ersatzteile
ENGINE LT2223 CMA2 (96061032400) - Jonsered Lawn & Garden Tractor (2010-11)

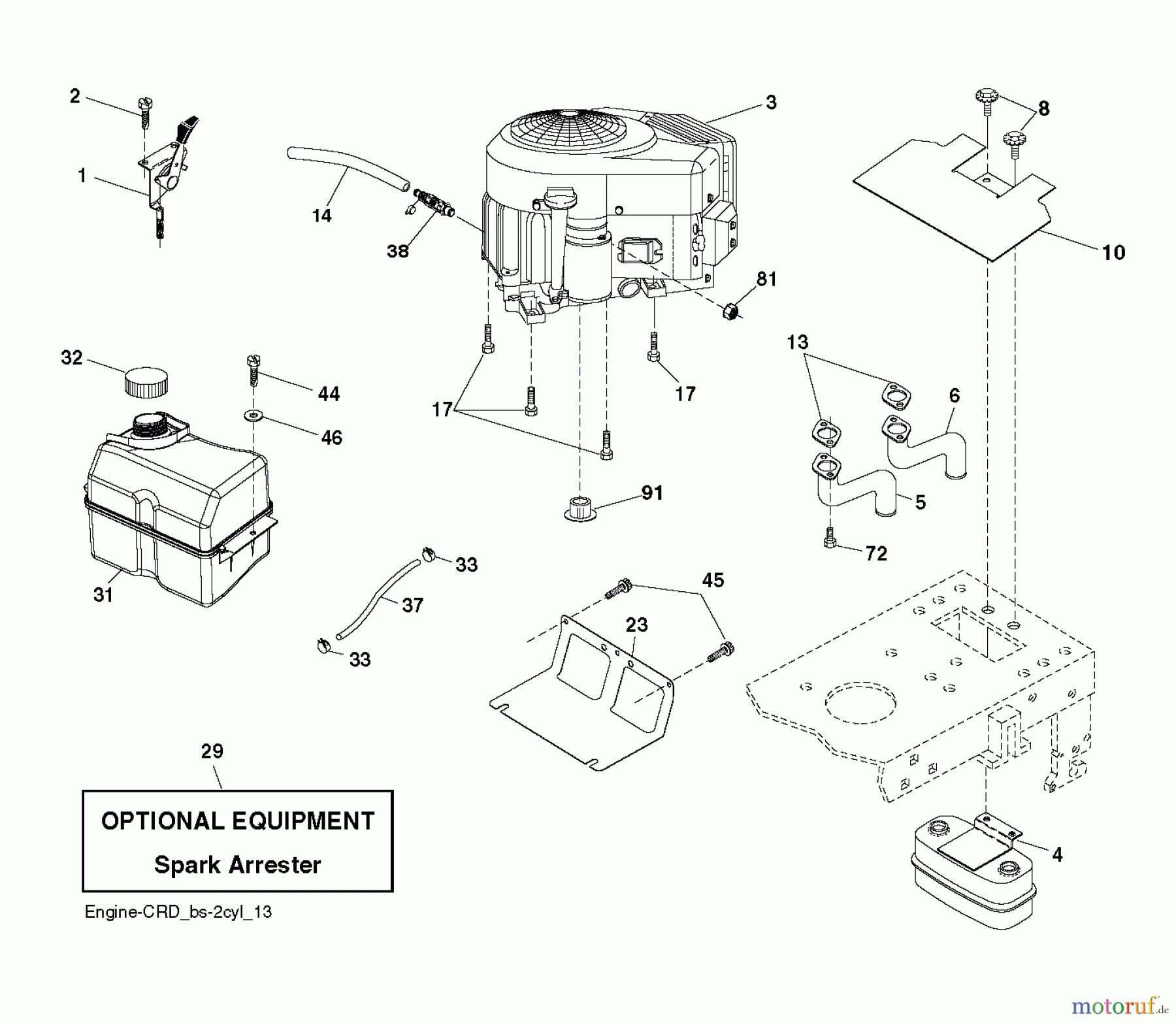
Hier finden Sie die Ersatzteilzeichnung für Jonsered Rasen und Garten Traktoren LT2223 CMA2 (96061032400) - Jonsered Lawn & Garden Tractor (2010-11) ENGINE. Wählen Sie das benötigte Ersatzteil aus der Ersatzteilliste Ihres Jonsered Gerätes aus und bestellen Sie einfach online. Viele Jonsered Ersatzteile halten wir ständig in unserem Lager für Sie bereit.




