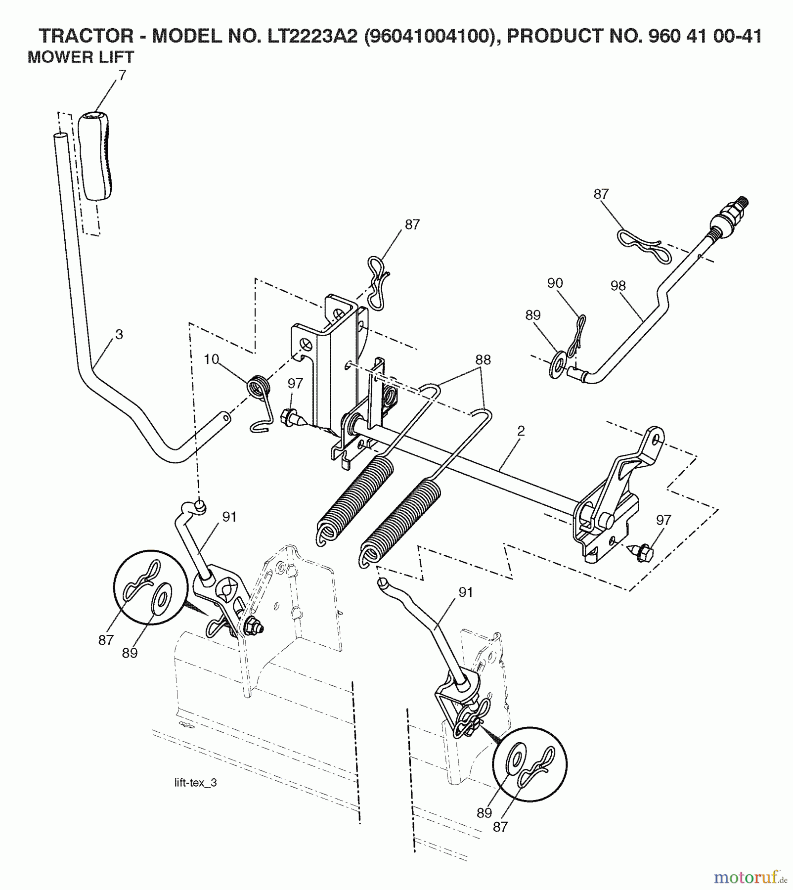
Jonsered LT2223 A2 (96041004100) - Lawn & Garden Tractor (2007-04) MOWER LIFT / DECK LIFT Ersatzteile
MOWER LIFT / DECK LIFT LT2223 A2 (96041004100) - Jonsered Lawn & Garden Tractor (2007-04)

Hier finden Sie die Ersatzteilzeichnung für Jonsered Rasen und Garten Traktoren LT2223 A2 (96041004100) - Jonsered Lawn & Garden Tractor (2007-04) MOWER LIFT / DECK LIFT. Wählen Sie das benötigte Ersatzteil aus der Ersatzteilliste Ihres Jonsered Gerätes aus und bestellen Sie einfach online. Viele Jonsered Ersatzteile halten wir ständig in unserem Lager für Sie bereit.
| BildNr | Artikel Nummer | Bezeichnung | |
| 2 | 532 42 20-27 | ACHSE | |
| 3 | 532 19 52-30 | HEBEL | |
| 7 | 532 41 15-55 | GRIFF | |
| 10 | 532 19 63-14 | FEDER | |
| 87 | ![]() | 532 19 42-09 | FEDER |
| 88 | 532 19 53-04 | FEDER | |
| 89 | ![]() | 819 19 19-12 | SCHEIBE |
| 90 | ![]() | 532 19 42-08 | STIFT |
| 91 | 532 19 79-84 | GELENK | |
| 97 | 817 00 06-12 | SCHRAUBE | |
| 98 | 532 19 52-64 | GELENK | |


Qualitätsmanagement
Informieren Sie uns, wenn Sie einen Fehler gefunden haben.




