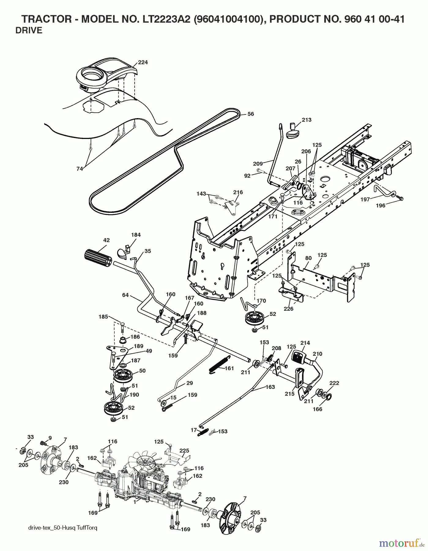
Jonsered LT2223 A2 (96041004100) - Lawn & Garden Tractor (2007-04) DRIVE Ersatzteile
DRIVE LT2223 A2 (96041004100) - Jonsered Lawn & Garden Tractor (2007-04)

Hier finden Sie die Ersatzteilzeichnung für Jonsered Rasen und Garten Traktoren LT2223 A2 (96041004100) - Jonsered Lawn & Garden Tractor (2007-04) DRIVE. Wählen Sie das benötigte Ersatzteil aus der Ersatzteilliste Ihres Jonsered Gerätes aus und bestellen Sie einfach online. Viele Jonsered Ersatzteile halten wir ständig in unserem Lager für Sie bereit.








