Jonsered LT2223 A2 (96041004000) - Lawn & Garden Tractor (2007-07) STEERING Ersatzteile
STEERING LT2223 A2 (96041004000) - Jonsered Lawn & Garden Tractor (2007-07)

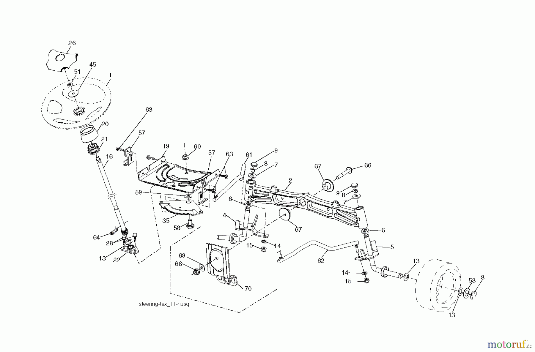
Hier finden Sie die Ersatzteilzeichnung für Jonsered Rasen und Garten Traktoren LT2223 A2 (96041004000) - Jonsered Lawn & Garden Tractor (2007-07) STEERING. Wählen Sie das benötigte Ersatzteil aus der Ersatzteilliste Ihres Jonsered Gerätes aus und bestellen Sie einfach online. Viele Jonsered Ersatzteile halten wir ständig in unserem Lager für Sie bereit.












