Jonsered LT2218 CMA2 (96061019902) - Lawn & Garden Tractor (2007-07) ENGINE Ersatzteile
ENGINE LT2218 CMA2 (96061019902) - Jonsered Lawn & Garden Tractor (2007-07)

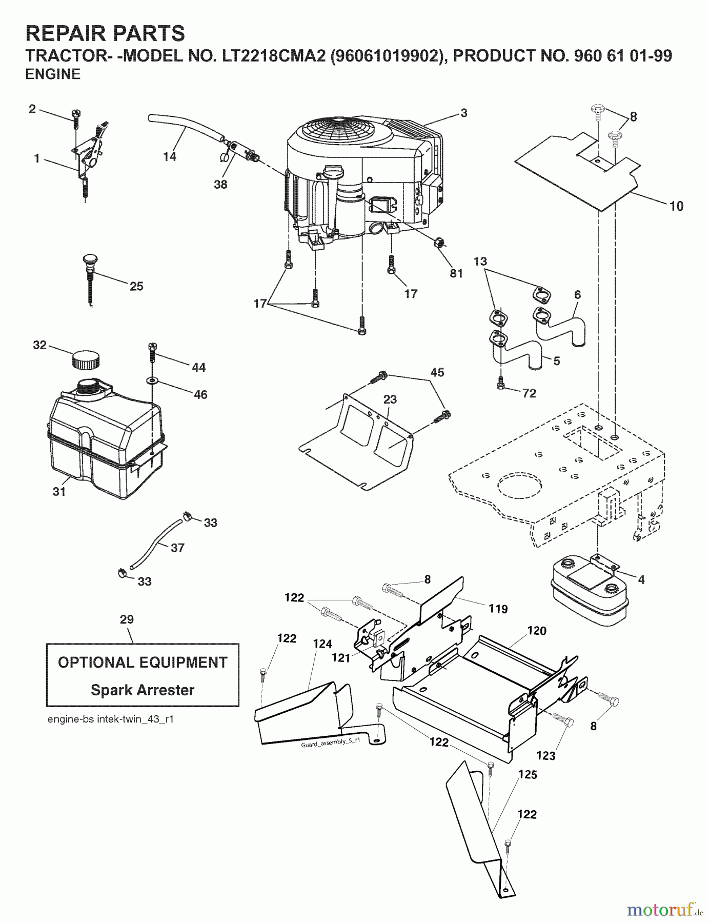
Hier finden Sie die Ersatzteilzeichnung für Jonsered Rasen und Garten Traktoren LT2218 CMA2 (96061019902) - Jonsered Lawn & Garden Tractor (2007-07) ENGINE. Wählen Sie das benötigte Ersatzteil aus der Ersatzteilliste Ihres Jonsered Gerätes aus und bestellen Sie einfach online. Viele Jonsered Ersatzteile halten wir ständig in unserem Lager für Sie bereit.





