Jonsered LT2217 CMA (96061019702) - Lawn & Garden Tractor (2007-09) ENGINE Ersatzteile
ENGINE LT2217 CMA (96061019702) - Jonsered Lawn & Garden Tractor (2007-09)

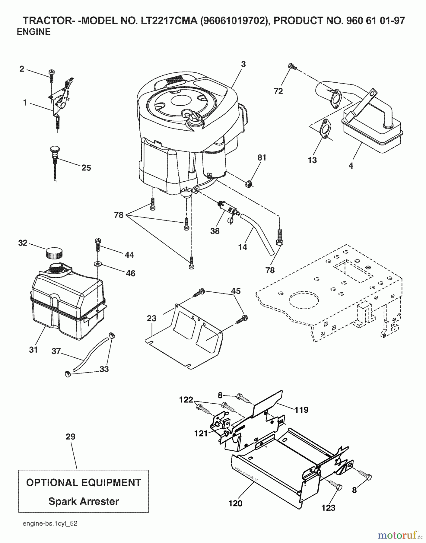
Hier finden Sie die Ersatzteilzeichnung für Jonsered Rasen und Garten Traktoren LT2217 CMA (96061019702) - Jonsered Lawn & Garden Tractor (2007-09) ENGINE. Wählen Sie das benötigte Ersatzteil aus der Ersatzteilliste Ihres Jonsered Gerätes aus und bestellen Sie einfach online. Viele Jonsered Ersatzteile halten wir ständig in unserem Lager für Sie bereit.





