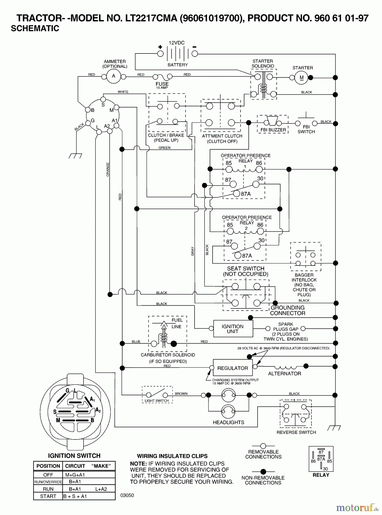
Jonsered LT2217 CMA (96061019700) - Lawn & Garden Tractor (2007-01) SCHEMATIC Ersatzteile
SCHEMATIC LT2217 CMA (96061019700) - Jonsered Lawn & Garden Tractor (2007-01)

Hier finden Sie die Ersatzteilzeichnung für Jonsered Rasen und Garten Traktoren LT2217 CMA (96061019700) - Jonsered Lawn & Garden Tractor (2007-01) SCHEMATIC. Wählen Sie das benötigte Ersatzteil aus der Ersatzteilliste Ihres Jonsered Gerätes aus und bestellen Sie einfach online. Viele Jonsered Ersatzteile halten wir ständig in unserem Lager für Sie bereit.



