Jonsered LT2217 A (96041011300) - Lawn & Garden Tractor (2009-01) STEERING Ersatzteile
STEERING LT2217 A (96041011300) - Jonsered Lawn & Garden Tractor (2009-01)

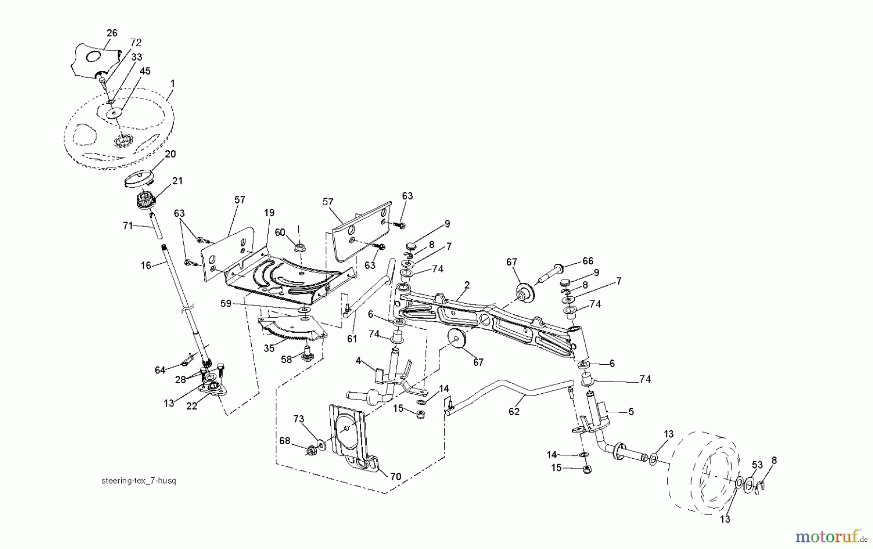
Hier finden Sie die Ersatzteilzeichnung für Jonsered Rasen und Garten Traktoren LT2217 A (96041011300) - Jonsered Lawn & Garden Tractor (2009-01) STEERING. Wählen Sie das benötigte Ersatzteil aus der Ersatzteilliste Ihres Jonsered Gerätes aus und bestellen Sie einfach online. Viele Jonsered Ersatzteile halten wir ständig in unserem Lager für Sie bereit.














