Einstellungen Computer

Jonsered LT2217 A (96041010301) - Lawn & Garden Tractor (2009-10) STEERING Ersatzteile

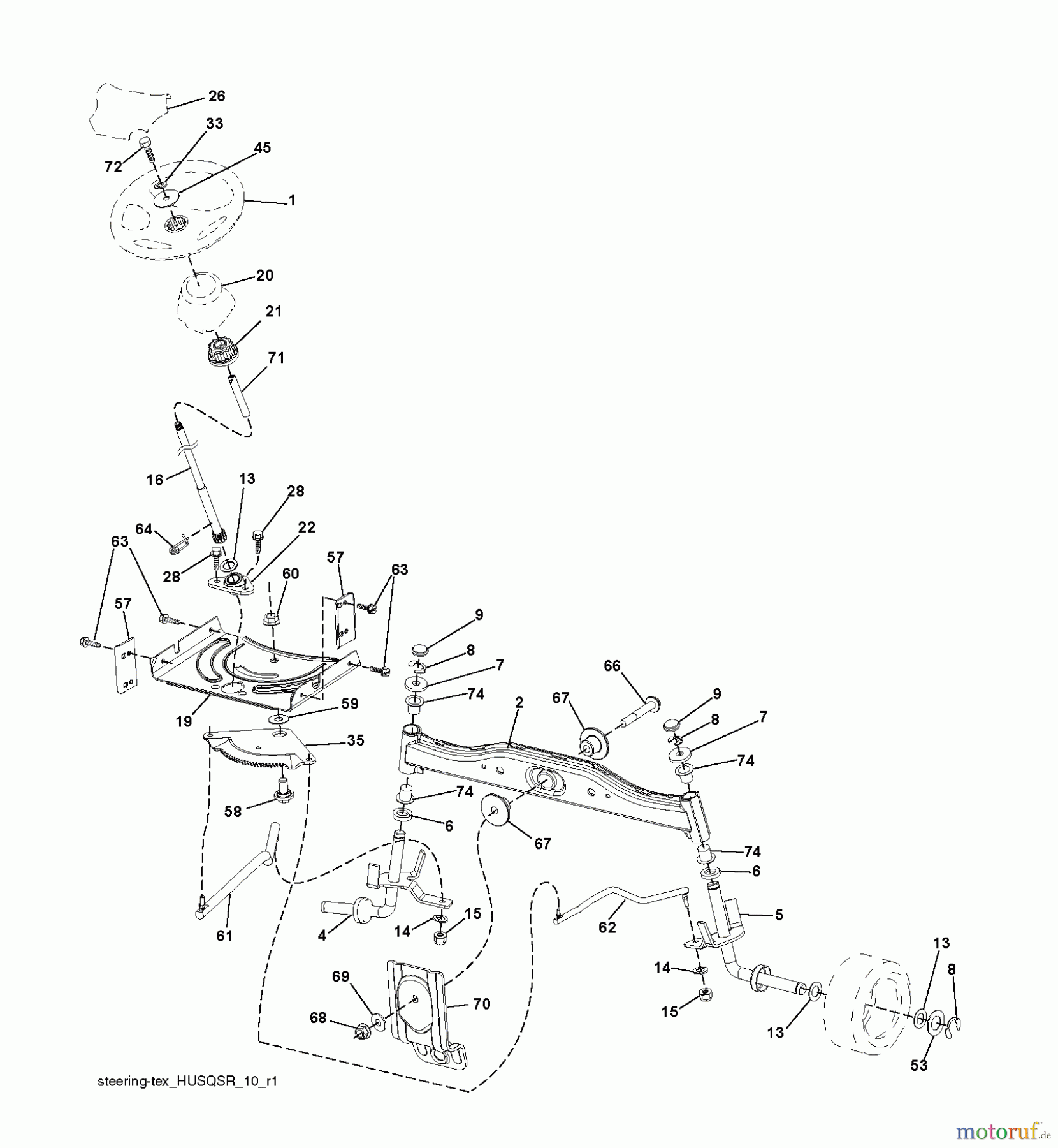
STEERING LT2217 A (96041010301) - Jonsered Lawn & Garden Tractor (2009-10)

 Jonsered Rasen  und Garten Traktoren LT2217 A (96041010301) - Jonsered Lawn & Garden Tractor (2009-10) STEERING

Hier finden Sie die Ersatzteilzeichnung für Jonsered Rasen und Garten Traktoren LT2217 A (96041010301) - Jonsered Lawn & Garden Tractor (2009-10) STEERING. Wählen Sie das benötigte Ersatzteil aus der Ersatzteilliste Ihres Jonsered Gerätes aus und bestellen Sie einfach online. Viele Jonsered Ersatzteile halten wir ständig in unserem Lager für Sie bereit.

Rasen
Bankeinzug, MasterCard, Visa, American Express, PayPal, Nachnahme, Vorauskasse, Sofortüberweisung
Datenschutzerklärung Impressum
Qualitätsmanagement
Informieren Sie uns, wenn Sie einen Fehler gefunden haben.