Jonsered LT2216 (96041010104) - Lawn & Garden Tractor (2011-01) ENGINE Ersatzteile
ENGINE LT2216 (96041010104) - Jonsered Lawn & Garden Tractor (2011-01)

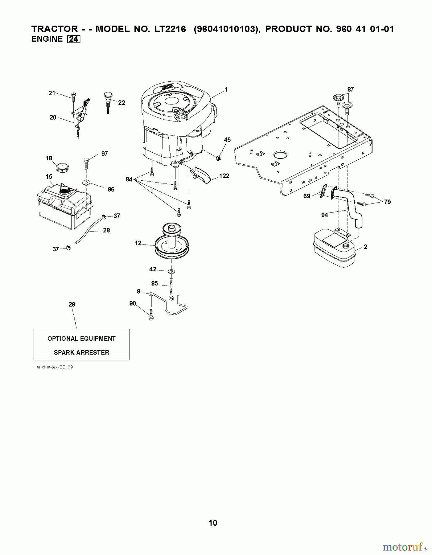
Hier finden Sie die Ersatzteilzeichnung für Jonsered Rasen und Garten Traktoren LT2216 (96041010104) - Jonsered Lawn & Garden Tractor (2011-01) ENGINE. Wählen Sie das benötigte Ersatzteil aus der Ersatzteilliste Ihres Jonsered Gerätes aus und bestellen Sie einfach online. Viele Jonsered Ersatzteile halten wir ständig in unserem Lager für Sie bereit.





