Jonsered LT2213 CA (96051001900) - Lawn & Garden Tractor (2010-11) STEERING Ersatzteile
STEERING LT2213 CA (96051001900) - Jonsered Lawn & Garden Tractor (2010-11)

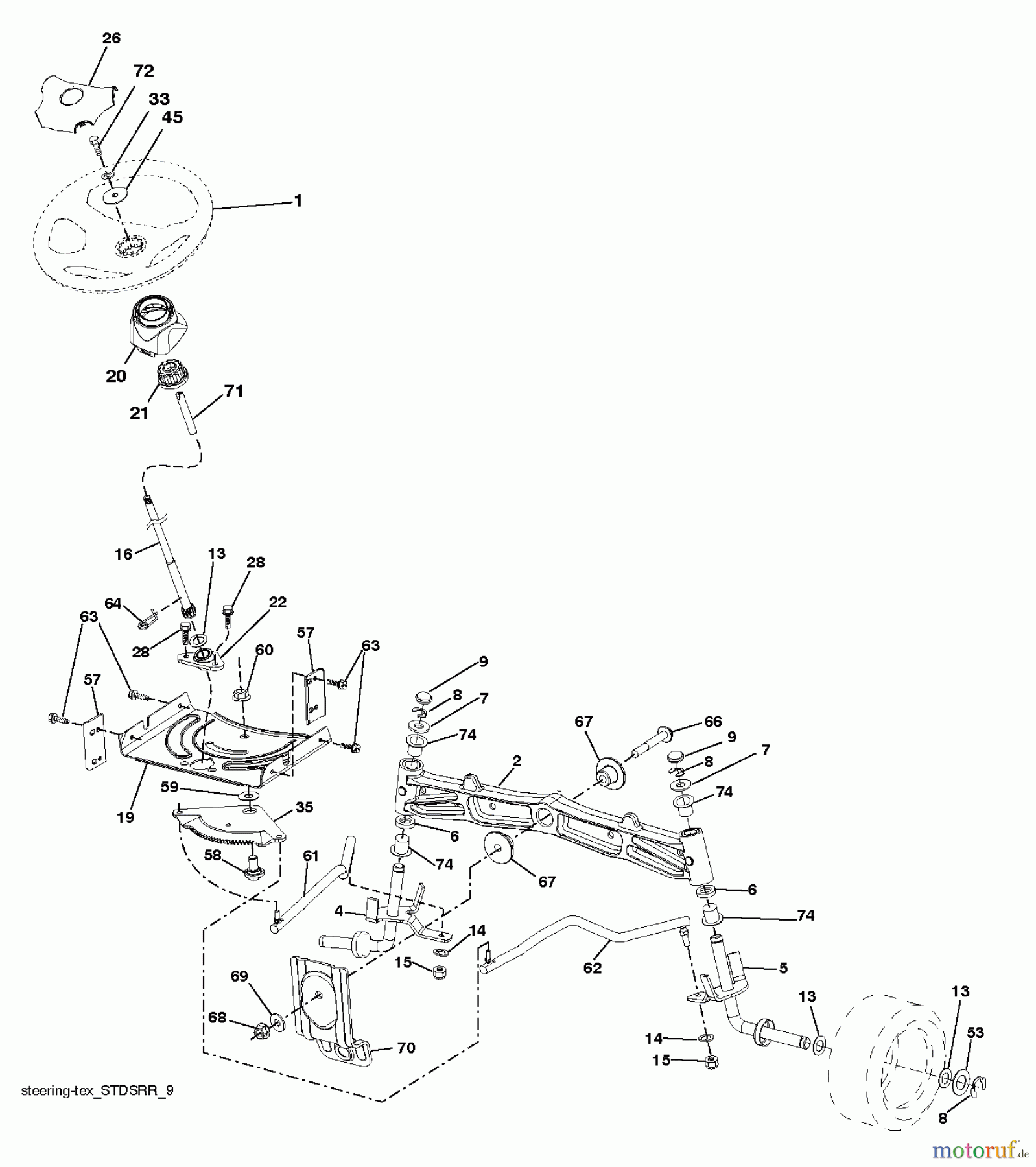
Hier finden Sie die Ersatzteilzeichnung für Jonsered Rasen und Garten Traktoren LT2213 CA (96051001900) - Jonsered Lawn & Garden Tractor (2010-11) STEERING. Wählen Sie das benötigte Ersatzteil aus der Ersatzteilliste Ihres Jonsered Gerätes aus und bestellen Sie einfach online. Viele Jonsered Ersatzteile halten wir ständig in unserem Lager für Sie bereit.














