Jonsered LT2213 CA (96051001004) - Lawn & Garden Tractor (2013-05) DRIVE Ersatzteile
DRIVE LT2213 CA (96051001004) - Jonsered Lawn & Garden Tractor (2013-05)

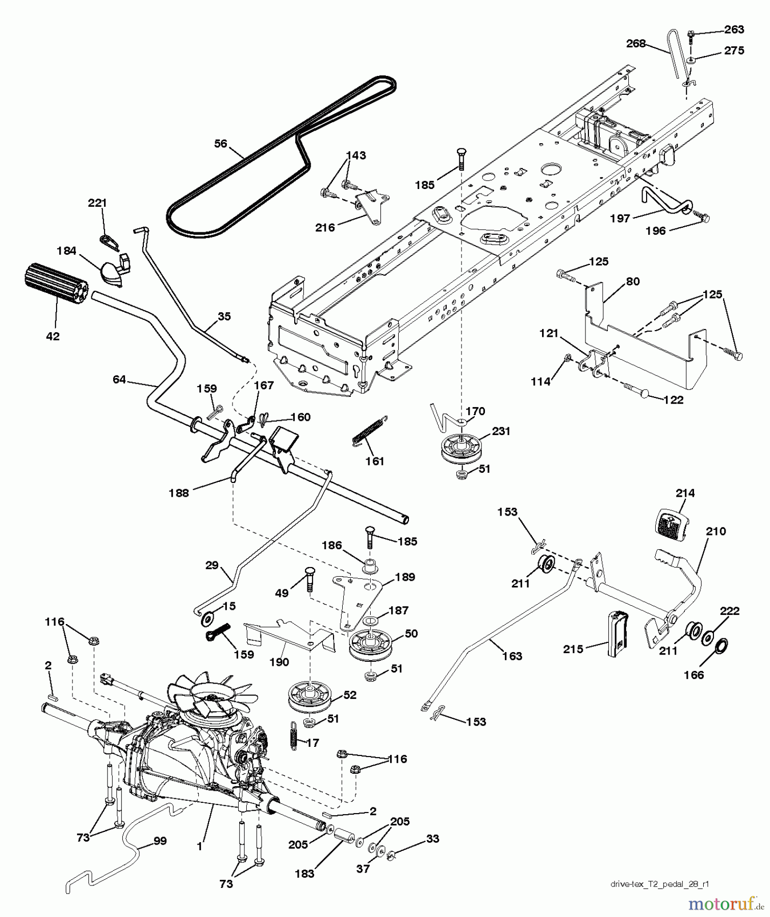
Hier finden Sie die Ersatzteilzeichnung für Jonsered Rasen und Garten Traktoren LT2213 CA (96051001004) - Jonsered Lawn & Garden Tractor (2013-05) DRIVE. Wählen Sie das benötigte Ersatzteil aus der Ersatzteilliste Ihres Jonsered Gerätes aus und bestellen Sie einfach online. Viele Jonsered Ersatzteile halten wir ständig in unserem Lager für Sie bereit.










