Jonsered LT2213 A (96041015402) - Lawn & Garden Tractor (2011-08) DRIVE Ersatzteile
DRIVE LT2213 A (96041015402) - Jonsered Lawn & Garden Tractor (2011-08)

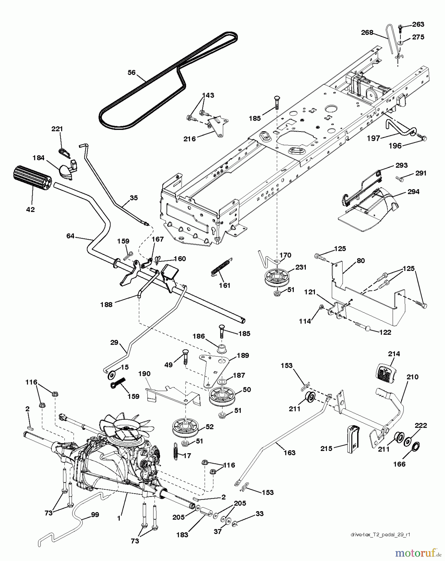
Hier finden Sie die Ersatzteilzeichnung für Jonsered Rasen und Garten Traktoren LT2213 A (96041015402) - Jonsered Lawn & Garden Tractor (2011-08) DRIVE. Wählen Sie das benötigte Ersatzteil aus der Ersatzteilliste Ihres Jonsered Gerätes aus und bestellen Sie einfach online. Viele Jonsered Ersatzteile halten wir ständig in unserem Lager für Sie bereit.










