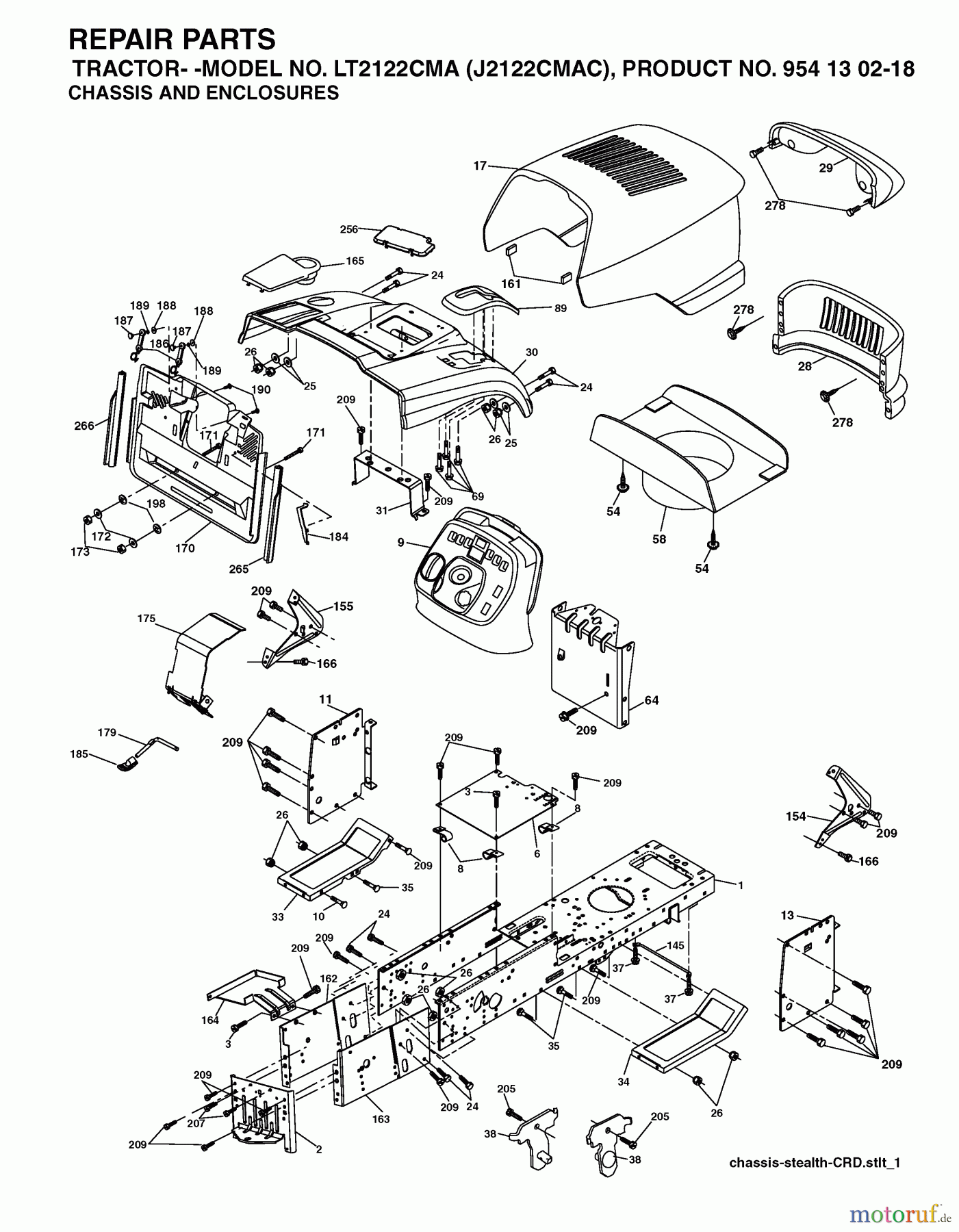
Jonsered LT2122 CMA (J2122CMAC, 954130218) - Lawn & Garden Tractor (2004-06) CHASSIS ENCLOSURES Ersatzteile
CHASSIS ENCLOSURES LT2122 CMA (J2122CMAC, 954130218) - Jonsered Lawn & Garden Tractor (2004-06)

Hier finden Sie die Ersatzteilzeichnung für Jonsered Rasen und Garten Traktoren LT2122 CMA (J2122CMAC, 954130218) - Jonsered Lawn & Garden Tractor (2004-06) CHASSIS ENCLOSURES. Wählen Sie das benötigte Ersatzteil aus der Ersatzteilliste Ihres Jonsered Gerätes aus und bestellen Sie einfach online. Viele Jonsered Ersatzteile halten wir ständig in unserem Lager für Sie bereit.


Qualitätsmanagement
Informieren Sie uns, wenn Sie einen Fehler gefunden haben.



