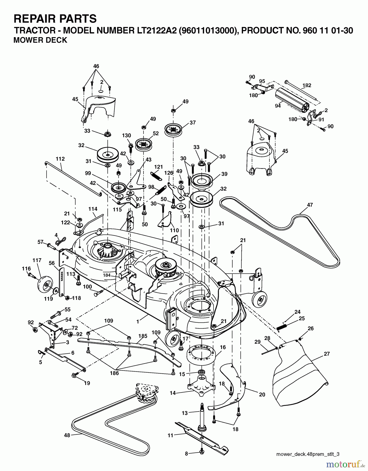
Jonsered LT2122 A2 (96011013000) - Lawn & Garden Tractor (2006-06) MOWER DECK / CUTTING DECK Ersatzteile
MOWER DECK / CUTTING DECK LT2122 A2 (96011013000) - Jonsered Lawn & Garden Tractor (2006-06)

Hier finden Sie die Ersatzteilzeichnung für Jonsered Rasen und Garten Traktoren LT2122 A2 (96011013000) - Jonsered Lawn & Garden Tractor (2006-06) MOWER DECK / CUTTING DECK. Wählen Sie das benötigte Ersatzteil aus der Ersatzteilliste Ihres Jonsered Gerätes aus und bestellen Sie einfach online. Viele Jonsered Ersatzteile halten wir ständig in unserem Lager für Sie bereit.



















