Jonsered LT2119 CMA (J2119CMAB, 954130094) - Lawn & Garden Tractor (2003-05) ENGINE Ersatzteile
ENGINE LT2119 CMA (J2119CMAB, 954130094) - Jonsered Lawn & Garden Tractor (2003-05)

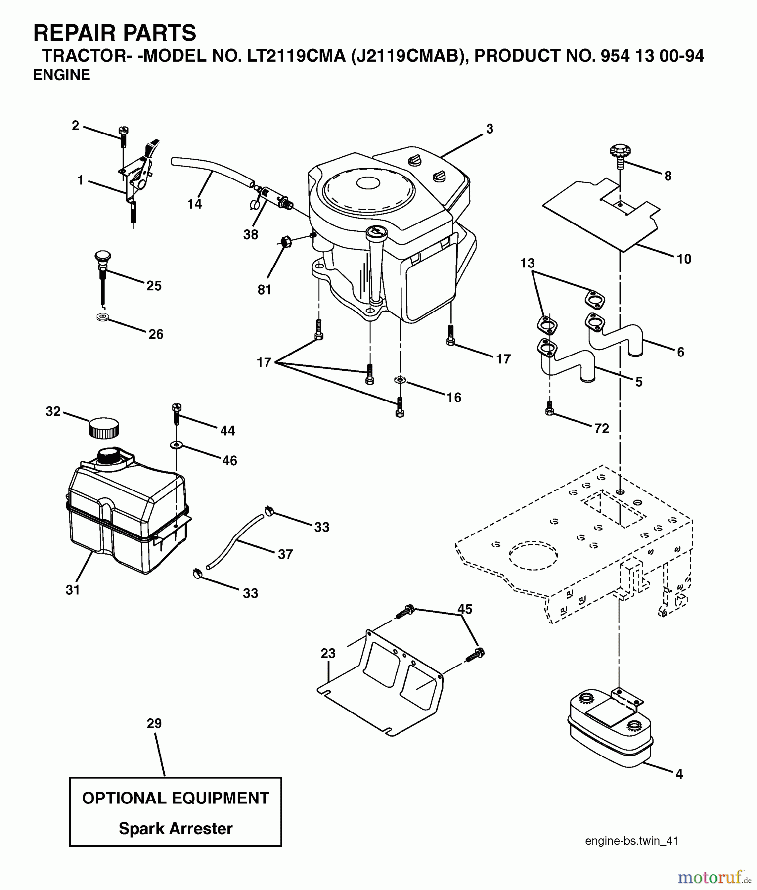
Hier finden Sie die Ersatzteilzeichnung für Jonsered Rasen und Garten Traktoren LT2119 CMA (J2119CMAB, 954130094) - Jonsered Lawn & Garden Tractor (2003-05) ENGINE. Wählen Sie das benötigte Ersatzteil aus der Ersatzteilliste Ihres Jonsered Gerätes aus und bestellen Sie einfach online. Viele Jonsered Ersatzteile halten wir ständig in unserem Lager für Sie bereit.





