Jonsered LT2117 A (J2117AB, 954130212) - Lawn & Garden Tractor (2004-01) MOWER DECK / CUTTING DECK Ersatzteile
MOWER DECK / CUTTING DECK LT2117 A (J2117AB, 954130212) - Jonsered Lawn & Garden Tractor (2004-01)

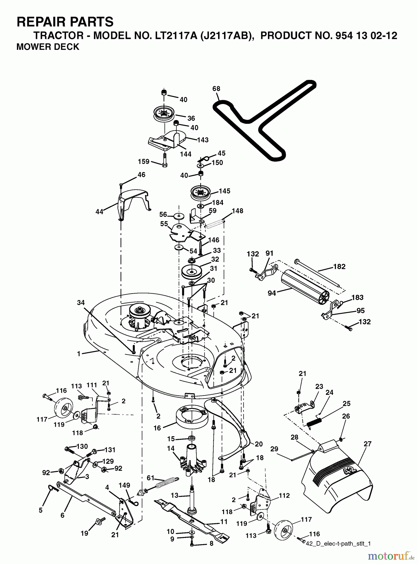
Hier finden Sie die Ersatzteilzeichnung für Jonsered Rasen und Garten Traktoren LT2117 A (J2117AB, 954130212) - Jonsered Lawn & Garden Tractor (2004-01) MOWER DECK / CUTTING DECK. Wählen Sie das benötigte Ersatzteil aus der Ersatzteilliste Ihres Jonsered Gerätes aus und bestellen Sie einfach online. Viele Jonsered Ersatzteile halten wir ständig in unserem Lager für Sie bereit.


Qualitätsmanagement
Informieren Sie uns, wenn Sie einen Fehler gefunden haben.


















