Jonsered LT2116 CMA2 (96061008800) - Lawn & Garden Tractor (2006-02) SCHEMATIC Ersatzteile
SCHEMATIC LT2116 CMA2 (96061008800) - Jonsered Lawn & Garden Tractor (2006-02)

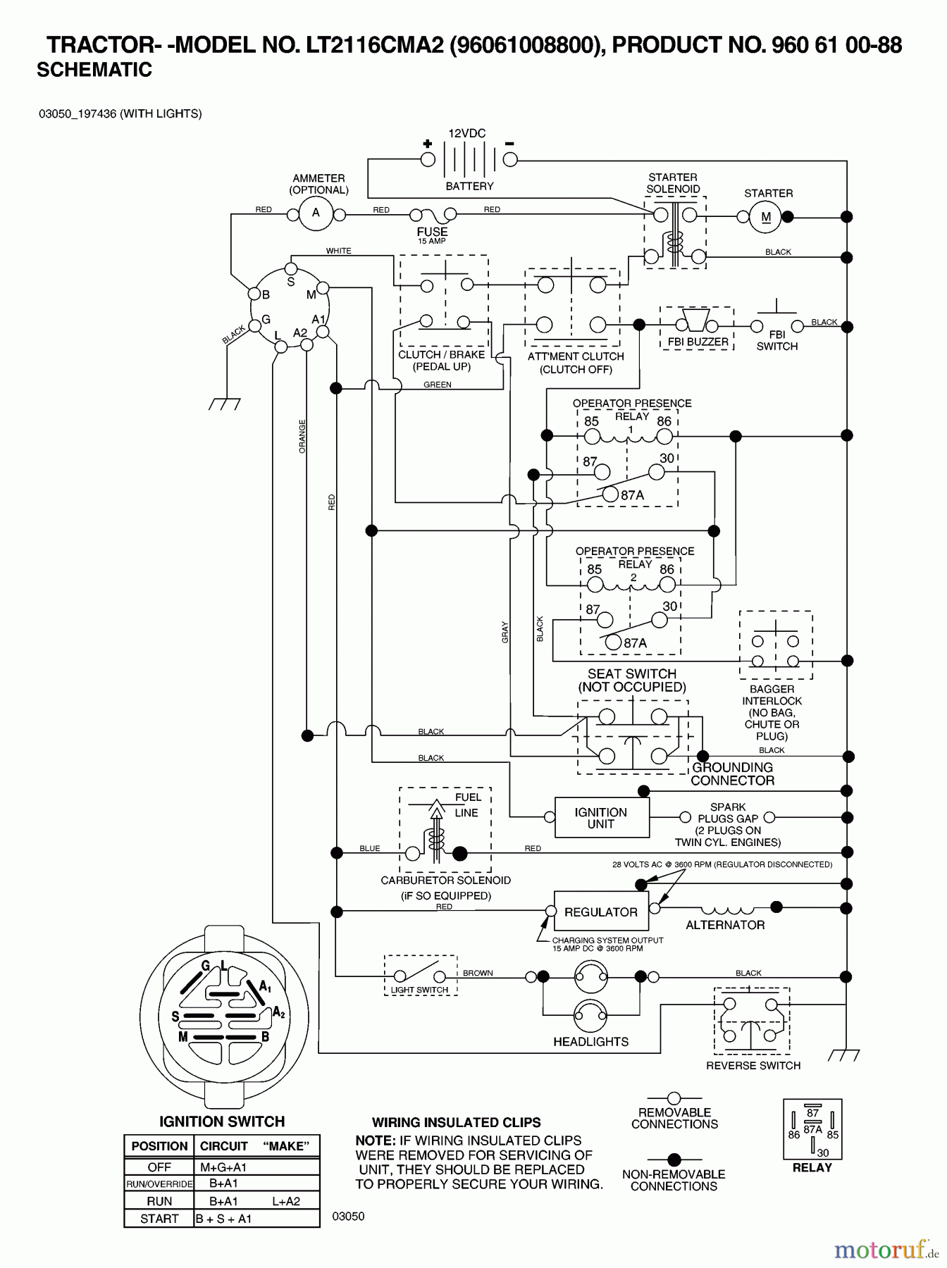
Hier finden Sie die Ersatzteilzeichnung für Jonsered Rasen und Garten Traktoren LT2116 CMA2 (96061008800) - Jonsered Lawn & Garden Tractor (2006-02) SCHEMATIC. Wählen Sie das benötigte Ersatzteil aus der Ersatzteilliste Ihres Jonsered Gerätes aus und bestellen Sie einfach online. Viele Jonsered Ersatzteile halten wir ständig in unserem Lager für Sie bereit.


Qualitätsmanagement
Informieren Sie uns, wenn Sie einen Fehler gefunden haben.

