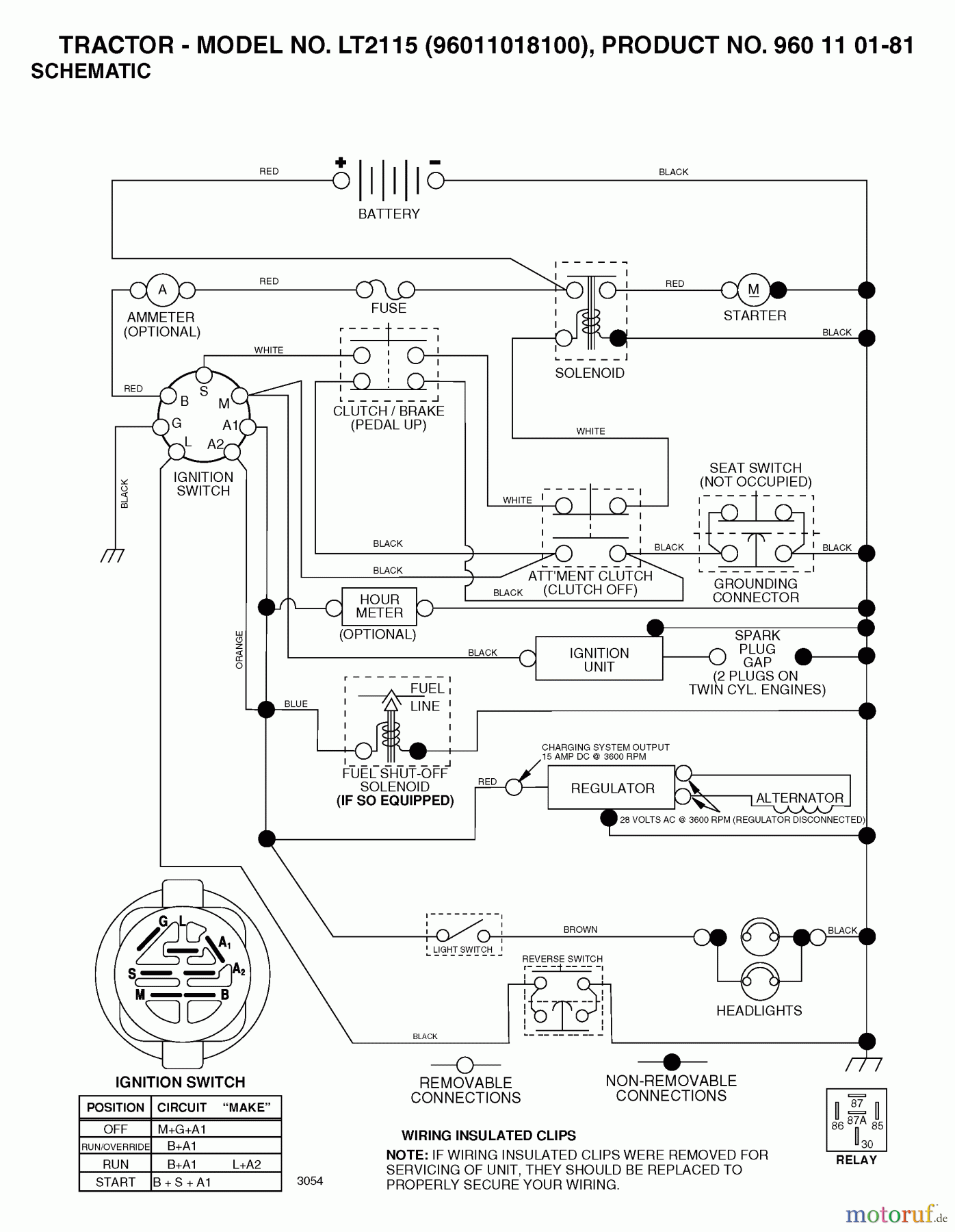
Jonsered LT2115 (96011018100) - Lawn & Garden Tractor (2006-05) SCHEMATIC Ersatzteile
SCHEMATIC LT2115 (96011018100) - Jonsered Lawn & Garden Tractor (2006-05)

Hier finden Sie die Ersatzteilzeichnung für Jonsered Rasen und Garten Traktoren LT2115 (96011018100) - Jonsered Lawn & Garden Tractor (2006-05) SCHEMATIC. Wählen Sie das benötigte Ersatzteil aus der Ersatzteilliste Ihres Jonsered Gerätes aus und bestellen Sie einfach online. Viele Jonsered Ersatzteile halten wir ständig in unserem Lager für Sie bereit.



