Jonsered LT13 (J81342F, 954130035) - Lawn & Garden Tractor (2000-04) MOWER LIFT / DECK LIFT Ersatzteile
MOWER LIFT / DECK LIFT LT13 (J81342F, 954130035) - Jonsered Lawn & Garden Tractor (2000-04)

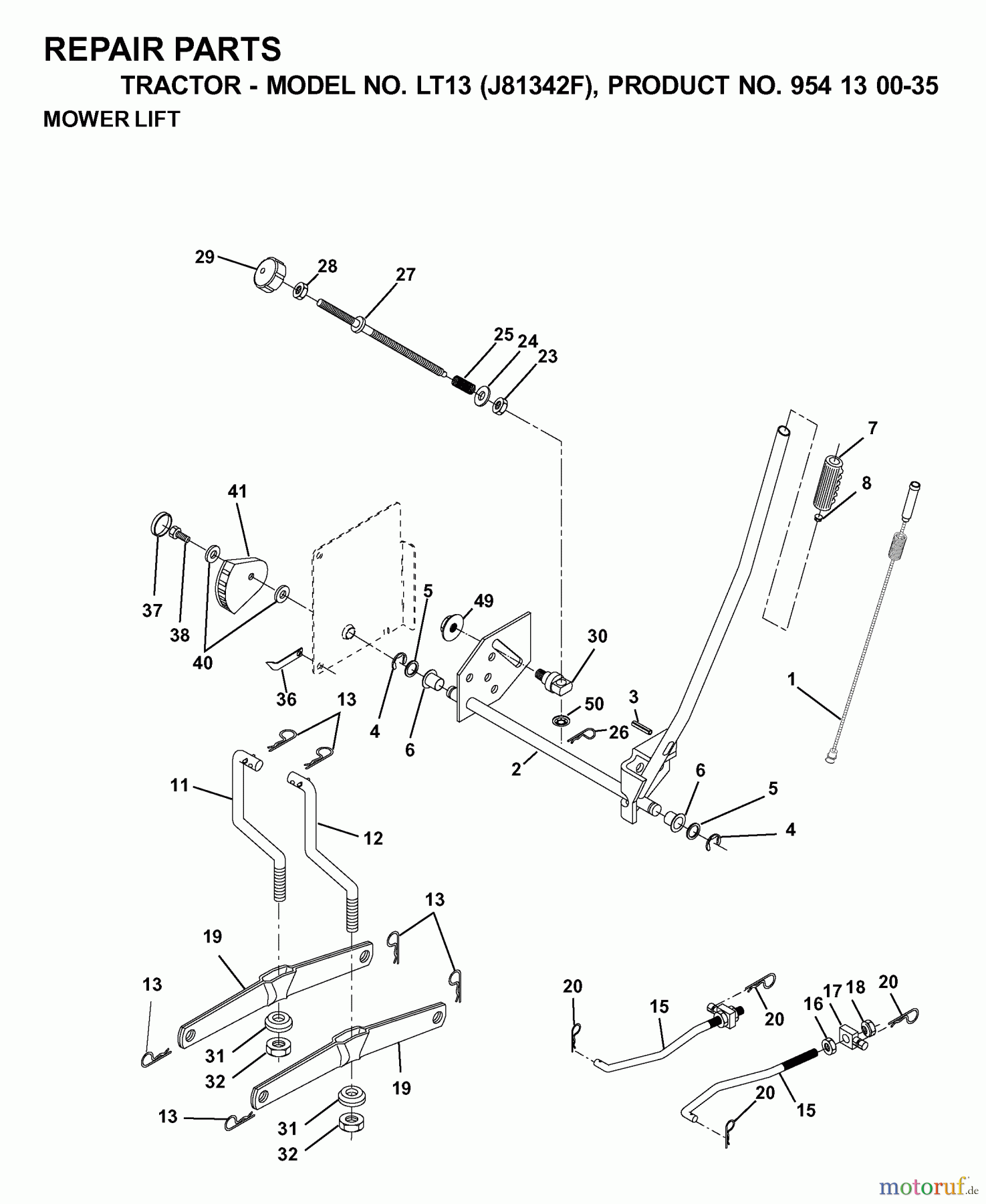
Hier finden Sie die Ersatzteilzeichnung für Jonsered Rasen und Garten Traktoren LT13 (J81342F, 954130035) - Jonsered Lawn & Garden Tractor (2000-04) MOWER LIFT / DECK LIFT. Wählen Sie das benötigte Ersatzteil aus der Ersatzteilliste Ihres Jonsered Gerätes aus und bestellen Sie einfach online. Viele Jonsered Ersatzteile halten wir ständig in unserem Lager für Sie bereit.


Qualitätsmanagement
Informieren Sie uns, wenn Sie einen Fehler gefunden haben.












