Jonsered ICT13A (JICTH13D, 954130040) - Lawn & Garden Tractor (2001-02) DRIVE Ersatzteile
DRIVE ICT13A (JICTH13D, 954130040) - Jonsered Lawn & Garden Tractor (2001-02)

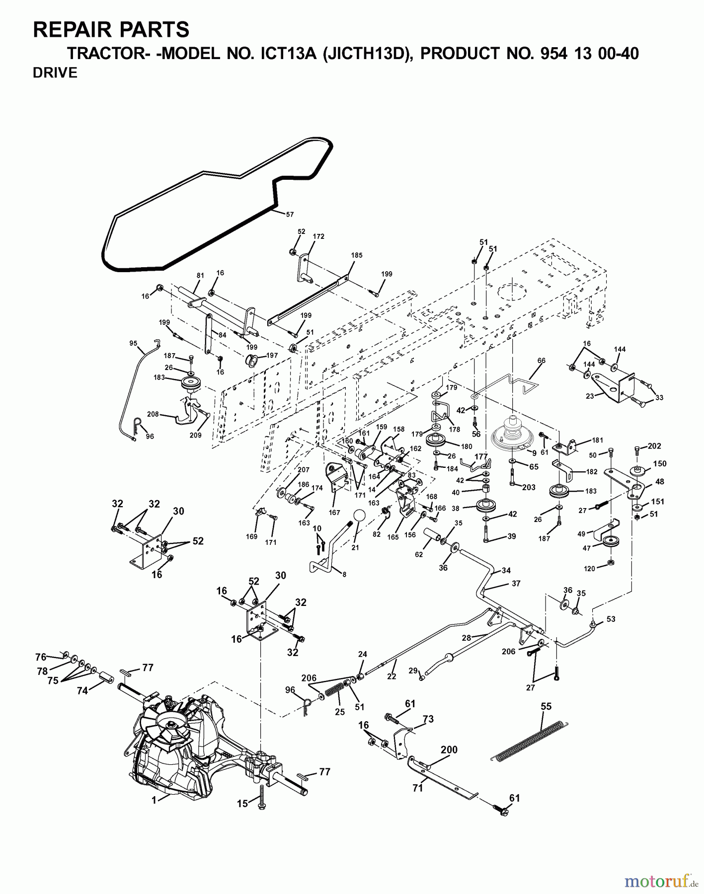
Hier finden Sie die Ersatzteilzeichnung für Jonsered Rasen und Garten Traktoren ICT13A (JICTH13D, 954130040) - Jonsered Lawn & Garden Tractor (2001-02) DRIVE. Wählen Sie das benötigte Ersatzteil aus der Ersatzteilliste Ihres Jonsered Gerätes aus und bestellen Sie einfach online. Viele Jonsered Ersatzteile halten wir ständig in unserem Lager für Sie bereit.


















