Jonsered HT2122 - Hedge Trimmer (2000-03) CUTTING EQUIPMENT Ersatzteile
CUTTING EQUIPMENT HT2122 - Jonsered Hedge Trimmer (2000-03)

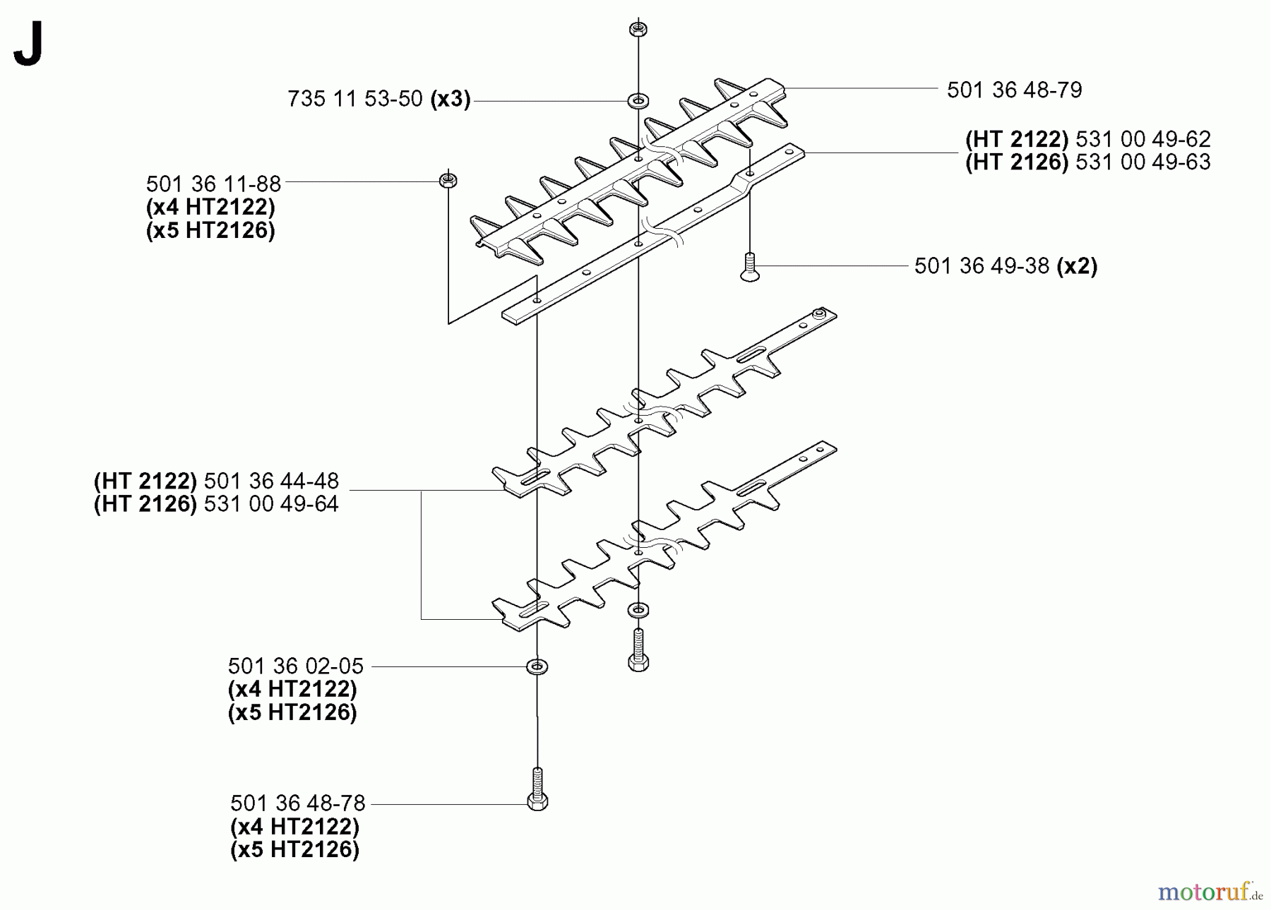
Hier finden Sie die Ersatzteilzeichnung für Jonsered Heckenscheren HT2122 - Jonsered Hedge Trimmer (2000-03) CUTTING EQUIPMENT. Wählen Sie das benötigte Ersatzteil aus der Ersatzteilliste Ihres Jonsered Gerätes aus und bestellen Sie einfach online. Viele Jonsered Ersatzteile halten wir ständig in unserem Lager für Sie bereit.
| BildNr | Artikel Nummer | Bezeichnung | |
| 7351153-50 | 735 11 53-50 | SCHEIBE | |
| 5013611-88 | 537 18 47-01 | MUTTER M6 | |
| 5013644-48 | 501 36 44-48 | BLADE | |
| 5310049-64 | 531 00 49-64 | MESSER | |
| 5013602-05 | 501 36 02-05 | SCHEIBE | |
| 5013648-78 | 537 18 45-01 | SCHRAUBE M6 | |
| 5013649-38 | 501 36 49-38 | SCHRAUBE | |
| 5310049-63 | 531 00 49-63 | MESSERFUEHRUNG | |
| 5310049-62 | 531 00 49-62 | MESSERFUEHRUNG | |
| 5013648-79 | 501 36 48-79 | KLINGENSCHUTZ | |


Qualitätsmanagement
Informieren Sie uns, wenn Sie einen Fehler gefunden haben.

