MTD Gold 200-105 T 13BT76KN615 (2019) Messer Ersatzteile
Messer 13BT76KN615 (2019)

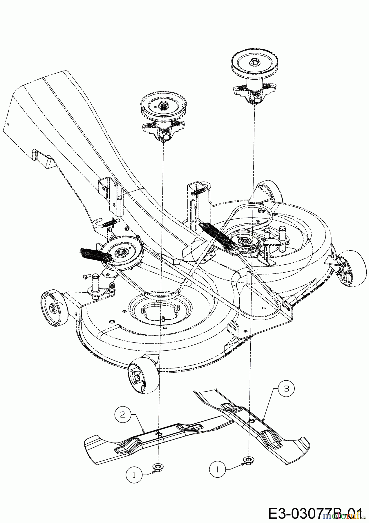
Hier finden Sie die Ersatzteilzeichnung für MTD Rasentraktoren Gold 200-105 T 13BT76KN615 (2019) Messer. Wählen Sie das benötigte Ersatzteil aus der Ersatzteilliste Ihres MTD Gerätes aus und bestellen Sie einfach online. Viele MTD Ersatzteile halten wir ständig in unserem Lager für Sie bereit.
| BildNr | Artikel Nummer | Bezeichnung | |
| 1 | ![]() | 712-05134 | 6KT-BUNDMUTTER:5/8-18:GR2 |
| 2 | ![]() | 742-0670A | MESSER RE. 21.240 LG:HIGH LIFT |
| 3 | ![]() | 742-0671A | MESSER LI. 21.240 LG:HIGH LIFT |





