MTD Optima LN 165 H 13IN71KN678 (2019) Hydrostat, Keilriemen, Pedale Ersatzteile
Hydrostat, Keilriemen, Pedale 13IN71KN678 (2019)

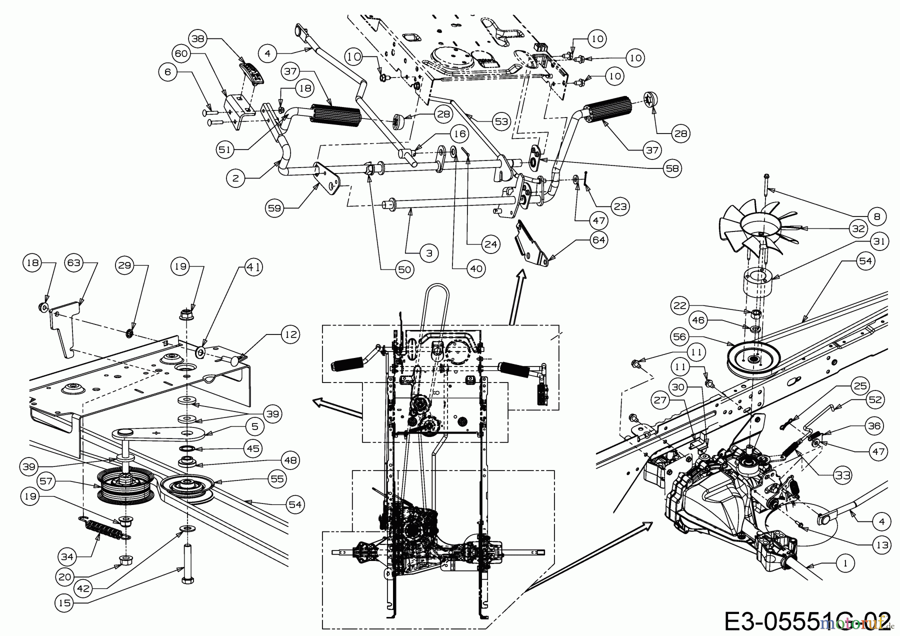
Hier finden Sie die Ersatzteilzeichnung für MTD Rasentraktoren Optima LN 165 H 13IN71KN678 (2019) Hydrostat, Keilriemen, Pedale. Wählen Sie das benötigte Ersatzteil aus der Ersatzteilliste Ihres MTD Gerätes aus und bestellen Sie einfach online. Viele MTD Ersatzteile halten wir ständig in unserem Lager für Sie bereit.

































