Cub Cadet XT2 ES107 33ABA7CS603 (2021) Elektroteile Ersatzteile
Elektroteile 33ABA7CS603 (2021)

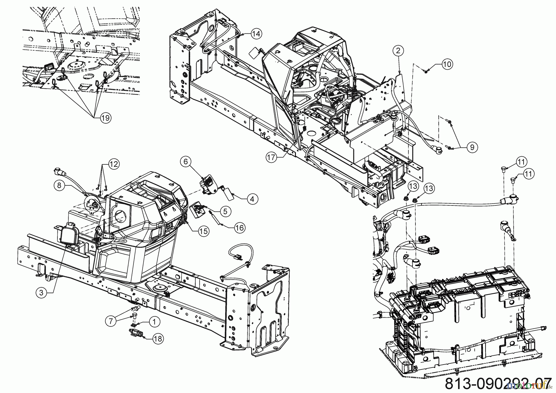
Hier finden Sie die Ersatzteilzeichnung für Cub Cadet E-Rasentraktoren XT2 ES107 33ABA7CS603 (2021) Elektroteile. Wählen Sie das benötigte Ersatzteil aus der Ersatzteilliste Ihres Cub Cadet Gerätes aus und bestellen Sie einfach online. Viele Cub Cadet Ersatzteile halten wir ständig in unserem Lager für Sie bereit.


Qualitätsmanagement
Informieren Sie uns, wenn Sie einen Fehler gefunden haben.



