Cub Cadet XZ5 EL107 34BBA2CS603 (2023) Plattform, Verkleidungen Ersatzteile
Plattform, Verkleidungen 34BBA2CS603 (2023)

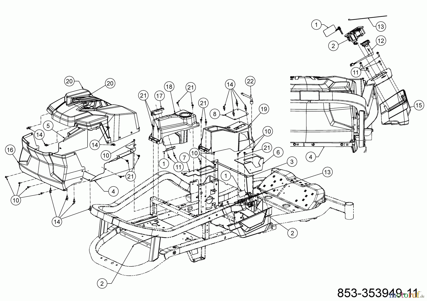
Hier finden Sie die Ersatzteilzeichnung für Cub Cadet Zero Turn XZ5 EL107 34BBA2CS603 (2023) Plattform, Verkleidungen. Wählen Sie das benötigte Ersatzteil aus der Ersatzteilliste Ihres Cub Cadet Gerätes aus und bestellen Sie einfach online. Viele Cub Cadet Ersatzteile halten wir ständig in unserem Lager für Sie bereit.


Qualitätsmanagement
Informieren Sie uns, wenn Sie einen Fehler gefunden haben.


