Cub Cadet XZ6 S127 17AIGGY2603 (2023) Verkleidungen Ersatzteile
Verkleidungen 17AIGGY2603 (2023)

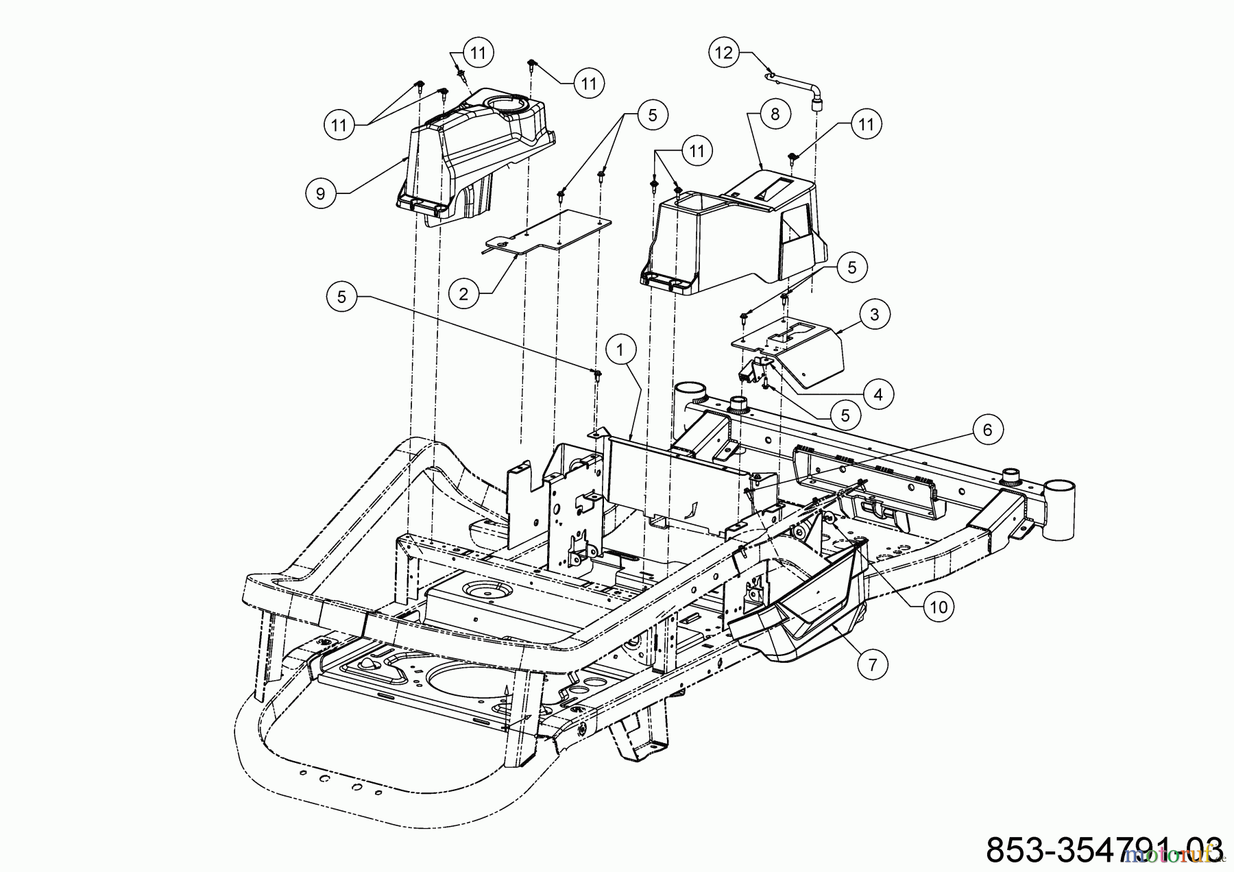
Hier finden Sie die Ersatzteilzeichnung für Cub Cadet Zero Turn XZ6 S127 17AIGGY2603 (2023) Verkleidungen. Wählen Sie das benötigte Ersatzteil aus der Ersatzteilliste Ihres Cub Cadet Gerätes aus und bestellen Sie einfach online. Viele Cub Cadet Ersatzteile halten wir ständig in unserem Lager für Sie bereit.




