Cub Cadet XZ7 L152I ULTIMA 47ATAHA8603 (2021) Lenkung Ersatzteile
Lenkung 47ATAHA8603 (2021)

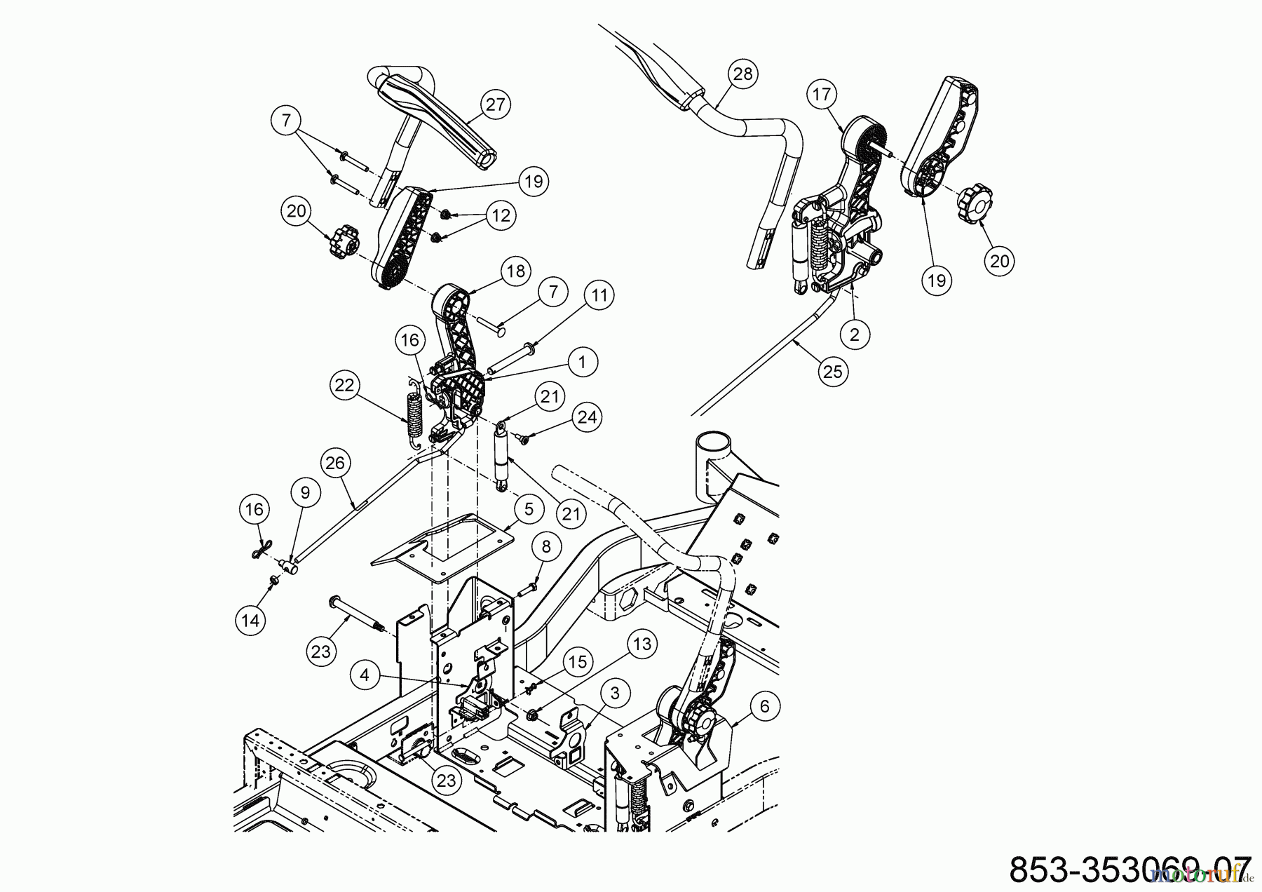
Hier finden Sie die Ersatzteilzeichnung für Cub Cadet Zero Turn XZ7 L152I ULTIMA 47ATAHA8603 (2021) Lenkung. Wählen Sie das benötigte Ersatzteil aus der Ersatzteilliste Ihres Cub Cadet Gerätes aus und bestellen Sie einfach online. Viele Cub Cadet Ersatzteile halten wir ständig in unserem Lager für Sie bereit.


Qualitätsmanagement
Informieren Sie uns, wenn Sie einen Fehler gefunden haben.






