Cub Cadet XZ7 L122 ULTIMA 47AIAAA6603 (2021) Motorzubehör Ersatzteile
Motorzubehör 47AIAAA6603 (2021)

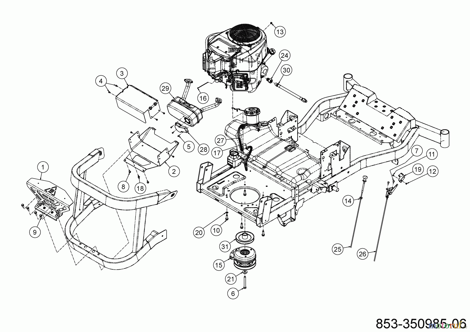
Hier finden Sie die Ersatzteilzeichnung für Cub Cadet Zero Turn XZ7 L122 ULTIMA 47AIAAA6603 (2021) Motorzubehör. Wählen Sie das benötigte Ersatzteil aus der Ersatzteilliste Ihres Cub Cadet Gerätes aus und bestellen Sie einfach online. Viele Cub Cadet Ersatzteile halten wir ständig in unserem Lager für Sie bereit.








