Cub Cadet XZ5 L137 17AIEACI603 (2021) Mähwerk Ersatzteile
Mähwerk 17AIEACI603 (2021)

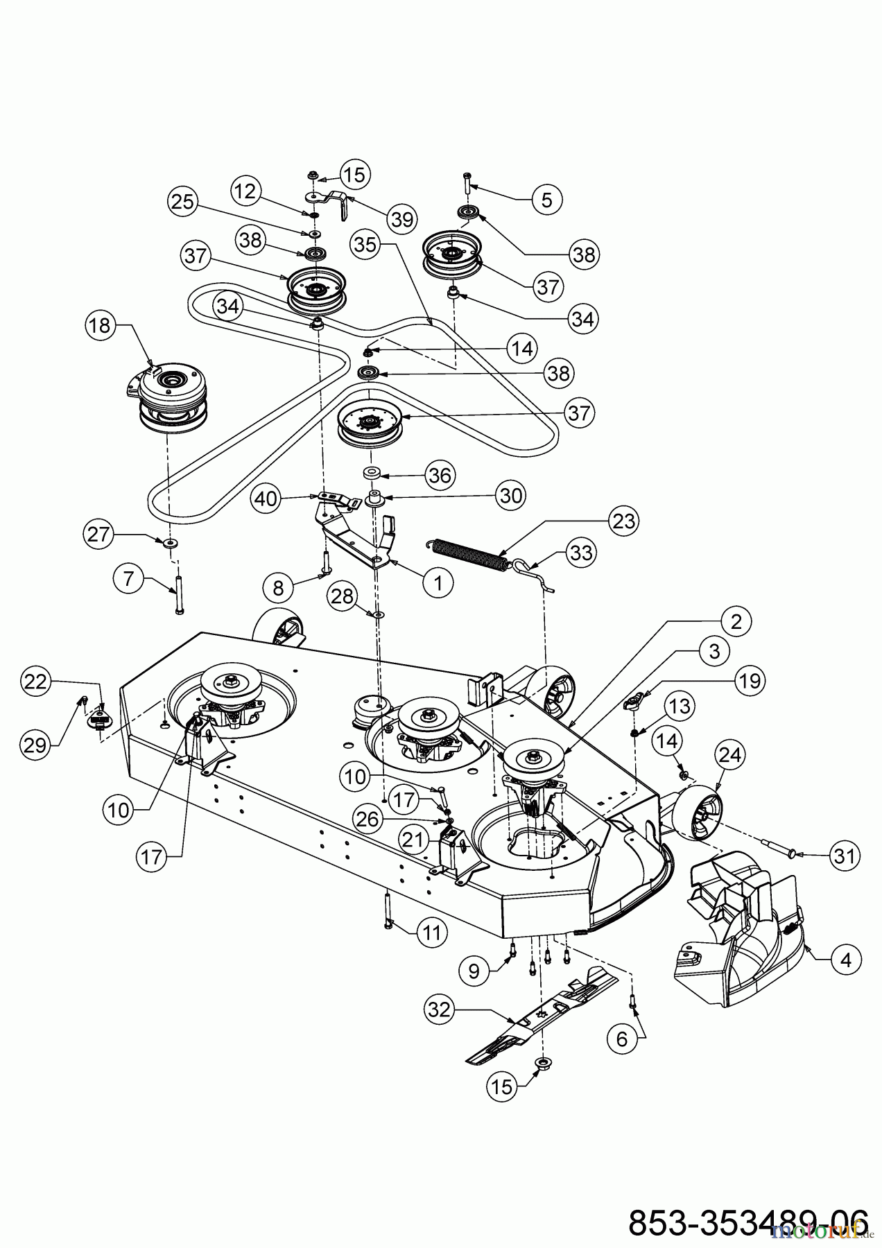
Hier finden Sie die Ersatzteilzeichnung für Cub Cadet Zero Turn XZ5 L137 17AIEACI603 (2021) Mähwerk. Wählen Sie das benötigte Ersatzteil aus der Ersatzteilliste Ihres Cub Cadet Gerätes aus und bestellen Sie einfach online. Viele Cub Cadet Ersatzteile halten wir ständig in unserem Lager für Sie bereit.
























