Cub Cadet XZ5 L127 17AIEACL603 (2023) Lenkung Ersatzteile
Lenkung 17AIEACL603 (2023)

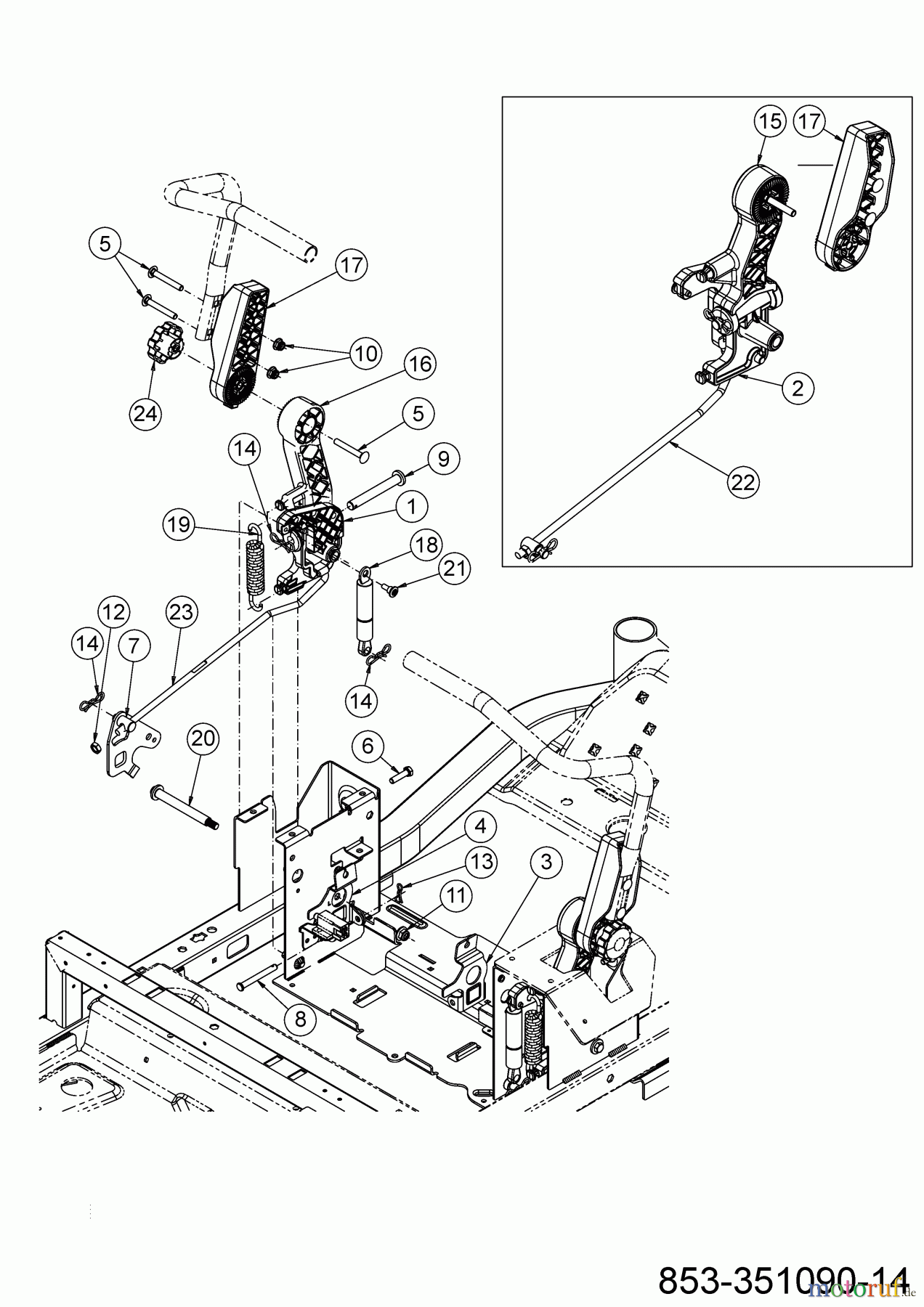
Hier finden Sie die Ersatzteilzeichnung für Cub Cadet Zero Turn XZ5 L127 17AIEACL603 (2023) Lenkung. Wählen Sie das benötigte Ersatzteil aus der Ersatzteilliste Ihres Cub Cadet Gerätes aus und bestellen Sie einfach online. Viele Cub Cadet Ersatzteile halten wir ständig in unserem Lager für Sie bereit.








