Cub Cadet XS3 76 SWE 31AY5EVZ603 (2024) Auswurfschacht, Joystick Ersatzteile
Auswurfschacht, Joystick 31AY5EVZ603 (2024)

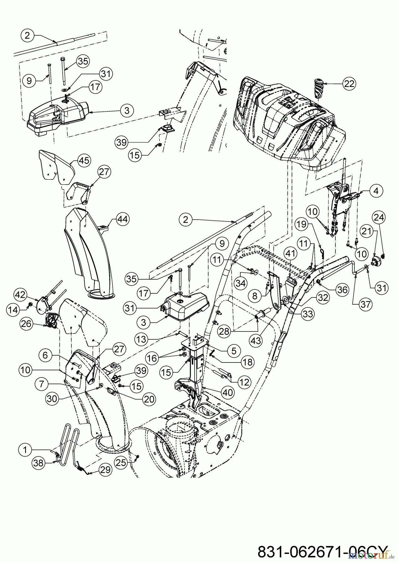
Hier finden Sie die Ersatzteilzeichnung für Cub Cadet Schneefräsen XS3 76 SWE 31AY5EVZ603 (2024) Auswurfschacht, Joystick. Wählen Sie das benötigte Ersatzteil aus der Ersatzteilliste Ihres Cub Cadet Gerätes aus und bestellen Sie einfach online. Viele Cub Cadet Ersatzteile halten wir ständig in unserem Lager für Sie bereit.


Qualitätsmanagement
Informieren Sie uns, wenn Sie einen Fehler gefunden haben.













