Cub Cadet XS2 61 SWE 31AW5BKR603 (2024) Armaturenbrett, Schalthebel Ersatzteile
Armaturenbrett, Schalthebel 31AW5BKR603 (2024)

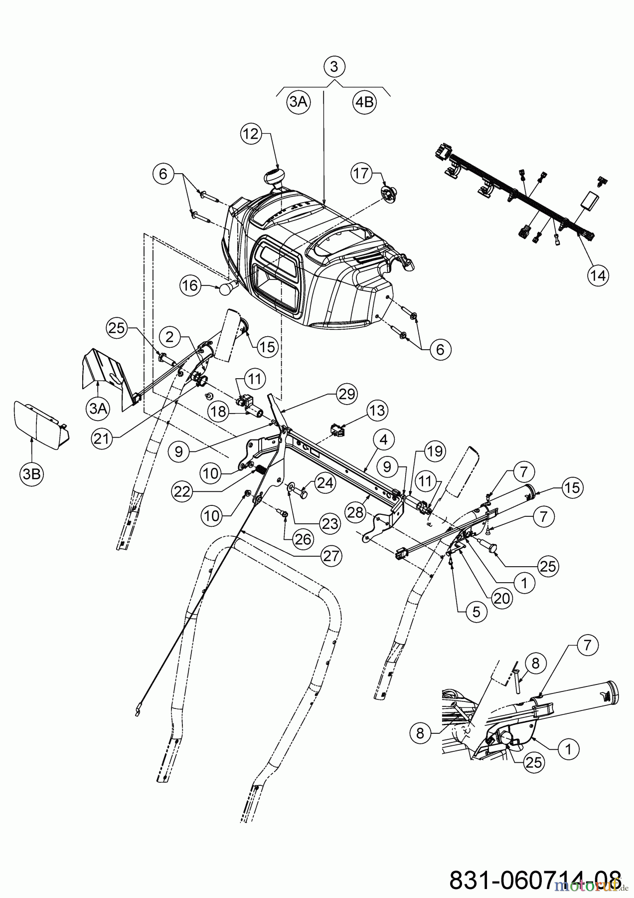
Hier finden Sie die Ersatzteilzeichnung für Cub Cadet Schneefräsen XS2 61 SWE 31AW5BKR603 (2024) Armaturenbrett, Schalthebel. Wählen Sie das benötigte Ersatzteil aus der Ersatzteilliste Ihres Cub Cadet Gerätes aus und bestellen Sie einfach online. Viele Cub Cadet Ersatzteile halten wir ständig in unserem Lager für Sie bereit.


Qualitätsmanagement
Informieren Sie uns, wenn Sie einen Fehler gefunden haben.



