Cub Cadet LM3 DR53ES 12ECPVS7603 (2023) Getriebe, Keilriemen Ersatzteile
Getriebe, Keilriemen 12ECPVS7603 (2023)

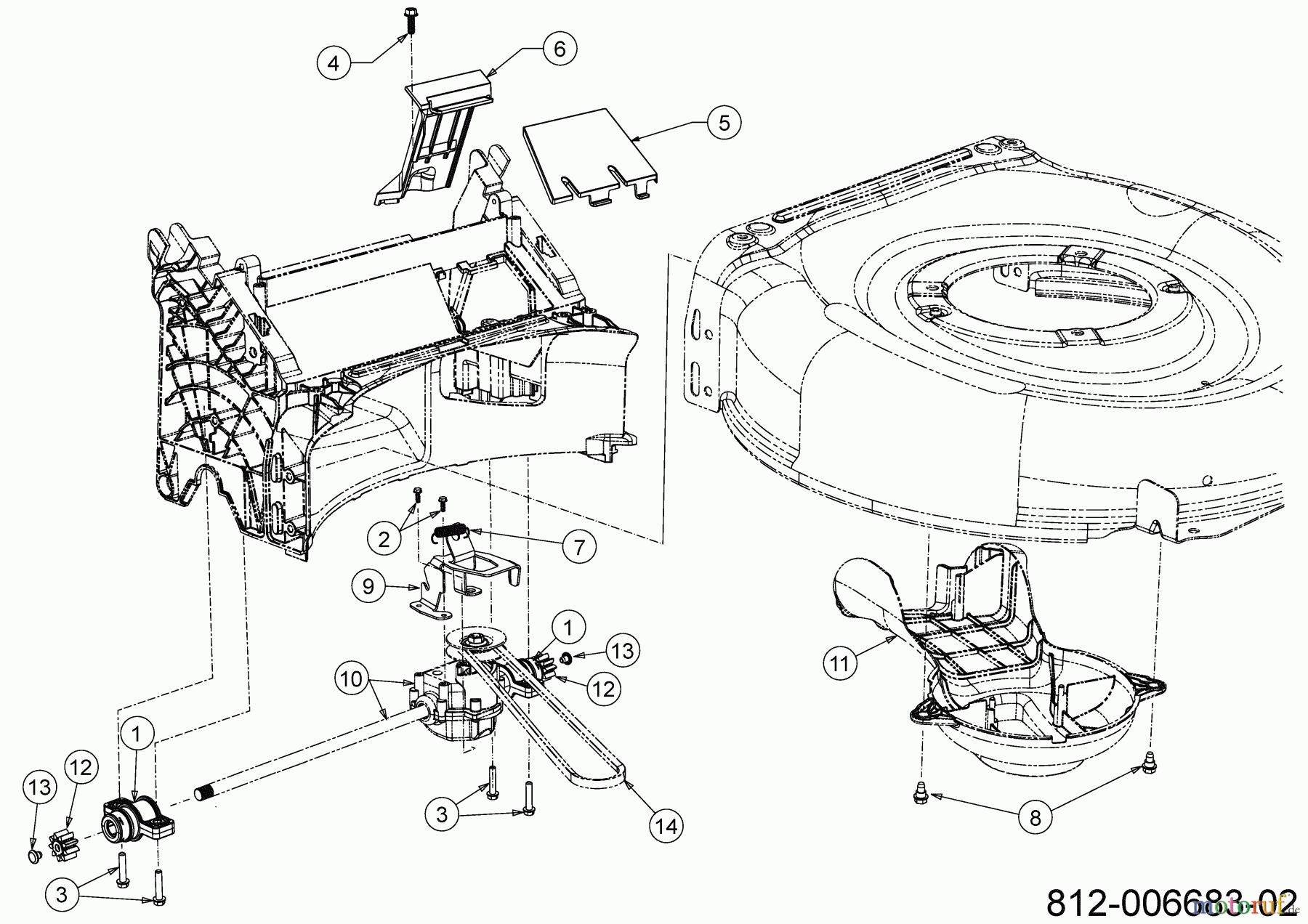
Hier finden Sie die Ersatzteilzeichnung für Cub Cadet Motormäher mit Antrieb LM3 DR53ES 12ECPVS7603 (2023) Getriebe, Keilriemen. Wählen Sie das benötigte Ersatzteil aus der Ersatzteilliste Ihres Cub Cadet Gerätes aus und bestellen Sie einfach online. Viele Cub Cadet Ersatzteile halten wir ständig in unserem Lager für Sie bereit.


Qualitätsmanagement
Informieren Sie uns, wenn Sie einen Fehler gefunden haben.








