Cub Cadet LM1 CR53 12D-PQSC603 (2022) Getriebe, Keilriemen Ersatzteile
Getriebe, Keilriemen 12D-PQSC603 (2022)

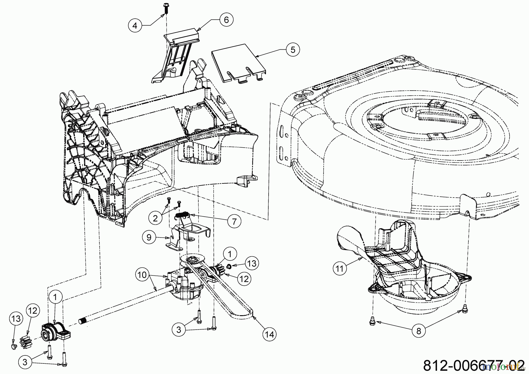
Hier finden Sie die Ersatzteilzeichnung für Cub Cadet Motormäher mit Antrieb LM1 CR53 12D-PQSC603 (2022) Getriebe, Keilriemen. Wählen Sie das benötigte Ersatzteil aus der Ersatzteilliste Ihres Cub Cadet Gerätes aus und bestellen Sie einfach online. Viele Cub Cadet Ersatzteile halten wir ständig in unserem Lager für Sie bereit.


Qualitätsmanagement
Informieren Sie uns, wenn Sie einen Fehler gefunden haben.










