Cub Cadet LM1 CR53 12C-PQSC603 (2021) Getriebe, Keilriemen Ersatzteile
Getriebe, Keilriemen 12C-PQSC603 (2021)

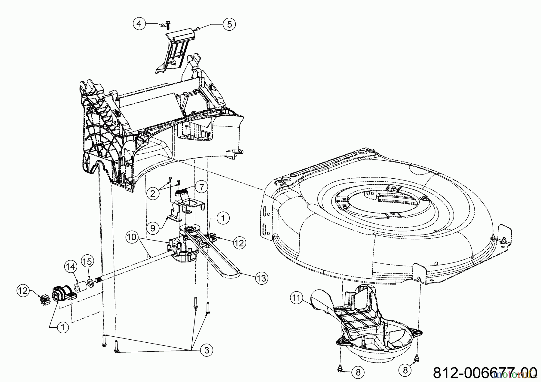
Hier finden Sie die Ersatzteilzeichnung für Cub Cadet Motormäher mit Antrieb LM1 CR53 12C-PQSC603 (2021) Getriebe, Keilriemen. Wählen Sie das benötigte Ersatzteil aus der Ersatzteilliste Ihres Cub Cadet Gerätes aus und bestellen Sie einfach online. Viele Cub Cadet Ersatzteile halten wir ständig in unserem Lager für Sie bereit.












