Cub Cadet LM3 CR53S 12EBPV5L603 (2022) Achsen, Höhenverstellung Ersatzteile
Achsen, Höhenverstellung 12EBPV5L603 (2022)

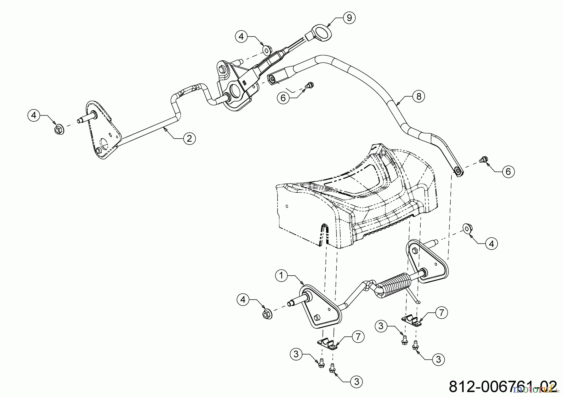
Hier finden Sie die Ersatzteilzeichnung für Cub Cadet Motormäher mit Antrieb LM3 CR53S 12EBPV5L603 (2022) Achsen, Höhenverstellung. Wählen Sie das benötigte Ersatzteil aus der Ersatzteilliste Ihres Cub Cadet Gerätes aus und bestellen Sie einfach online. Viele Cub Cadet Ersatzteile halten wir ständig in unserem Lager für Sie bereit.


Qualitätsmanagement
Informieren Sie uns, wenn Sie einen Fehler gefunden haben.





