Cub Cadet LT1 NS92 13AB77BY603 (2023) Motorzubehör Ersatzteile
Motorzubehör 13AB77BY603 (2023)

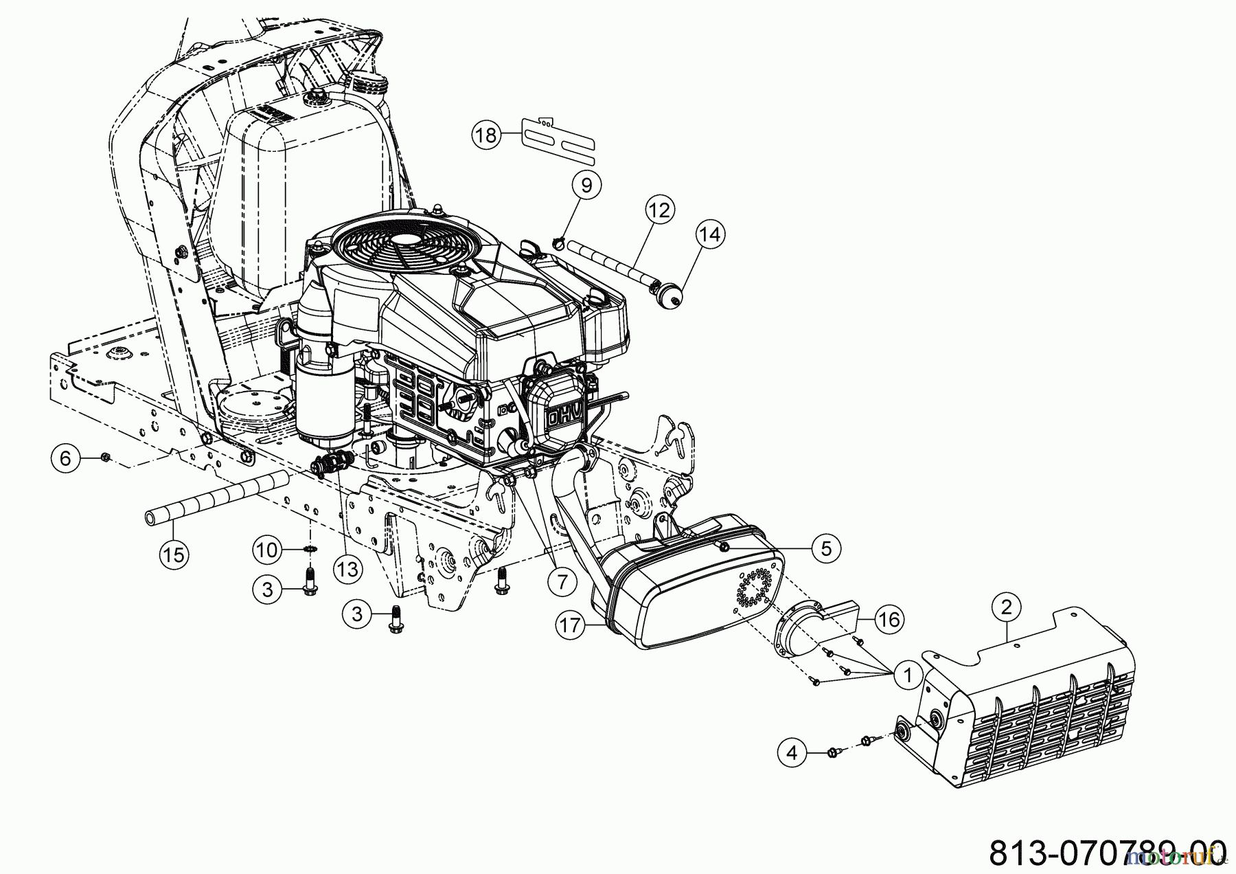
Hier finden Sie die Ersatzteilzeichnung für Cub Cadet Rasentraktoren LT1 NS92 13AB77BY603 (2023) Motorzubehör. Wählen Sie das benötigte Ersatzteil aus der Ersatzteilliste Ihres Cub Cadet Gerätes aus und bestellen Sie einfach online. Viele Cub Cadet Ersatzteile halten wir ständig in unserem Lager für Sie bereit.










