Cub Cadet XT1-LT46 13APA9CT056 (2022) Elektroteile Ersatzteile
Elektroteile 13APA9CT056 (2022)

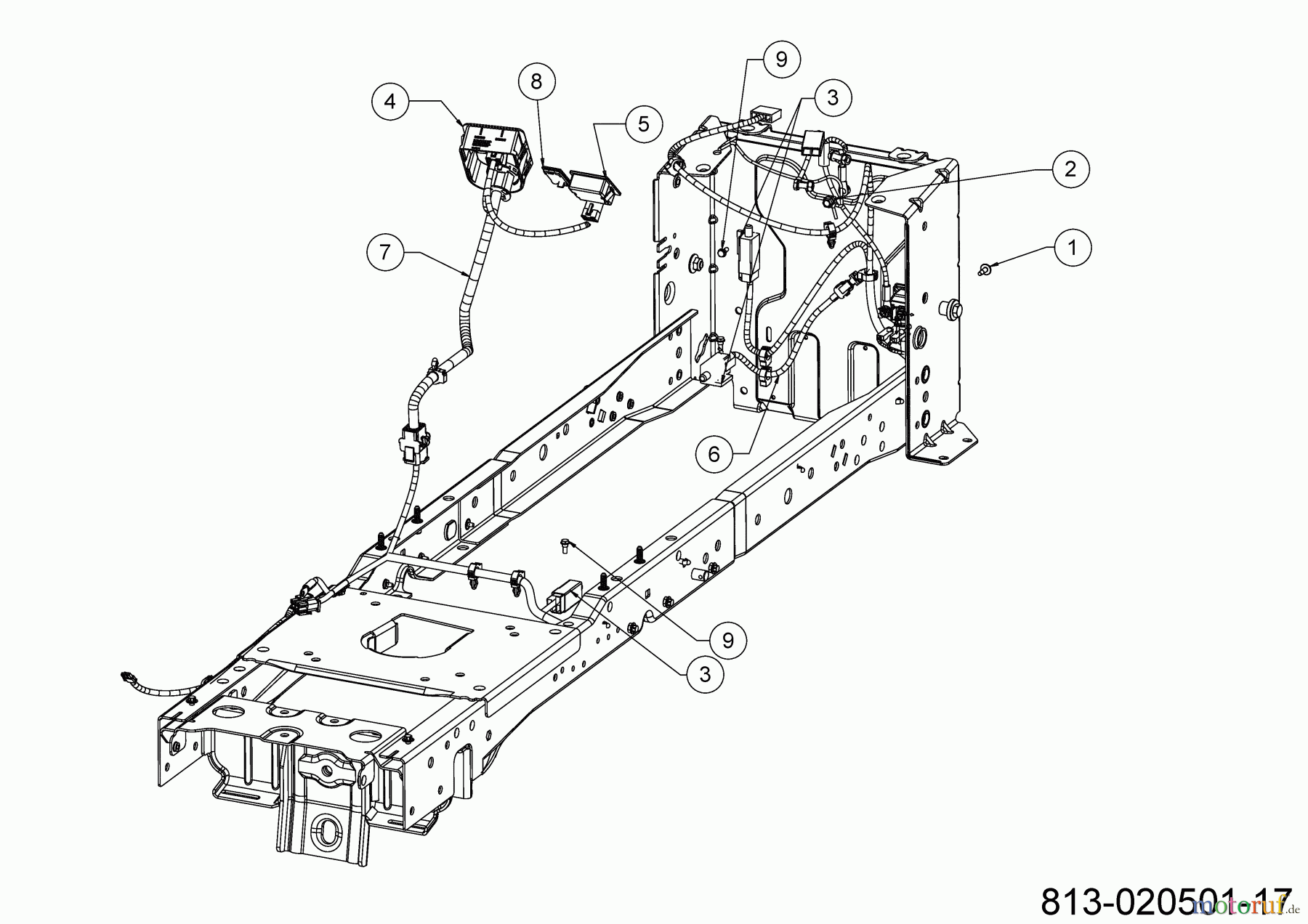
Hier finden Sie die Ersatzteilzeichnung für Cub Cadet Rasentraktoren XT1-LT46 13APA9CT056 (2022) Elektroteile. Wählen Sie das benötigte Ersatzteil aus der Ersatzteilliste Ihres Cub Cadet Gerätes aus und bestellen Sie einfach online. Viele Cub Cadet Ersatzteile halten wir ständig in unserem Lager für Sie bereit.


Qualitätsmanagement
Informieren Sie uns, wenn Sie einen Fehler gefunden haben.





