Cub Cadet LR2 MS76 13A721JD603 (2021) Gaszug, Motorkeilriemenscheibe, Motorzubehör Ersatzteile
Gaszug, Motorkeilriemenscheibe, Motorzubehör 13A721JD603 (2021)

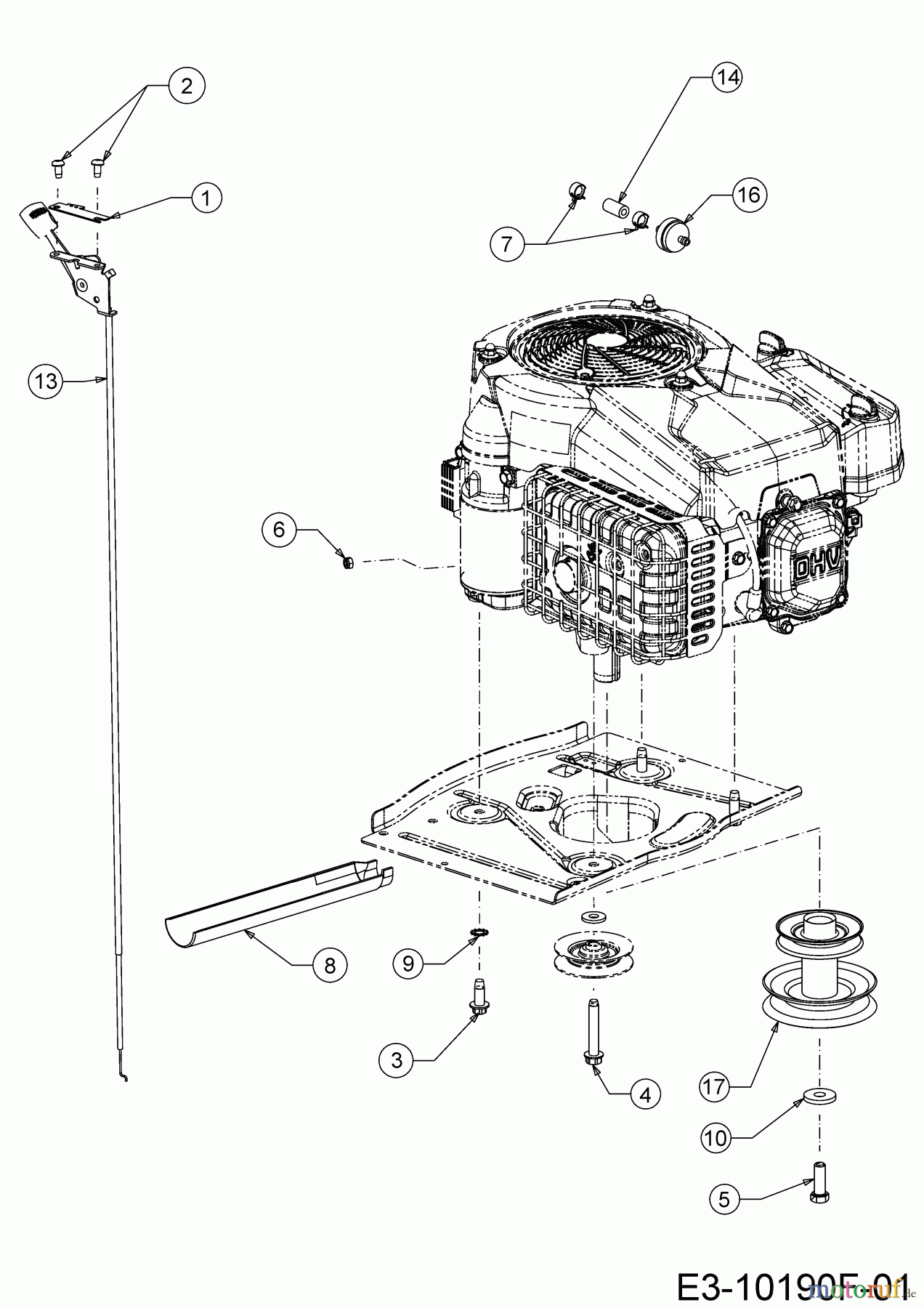
Hier finden Sie die Ersatzteilzeichnung für Cub Cadet Rasentraktoren LR2 MS76 13A721JD603 (2021) Gaszug, Motorkeilriemenscheibe, Motorzubehör. Wählen Sie das benötigte Ersatzteil aus der Ersatzteilliste Ihres Cub Cadet Gerätes aus und bestellen Sie einfach online. Viele Cub Cadet Ersatzteile halten wir ständig in unserem Lager für Sie bereit.








