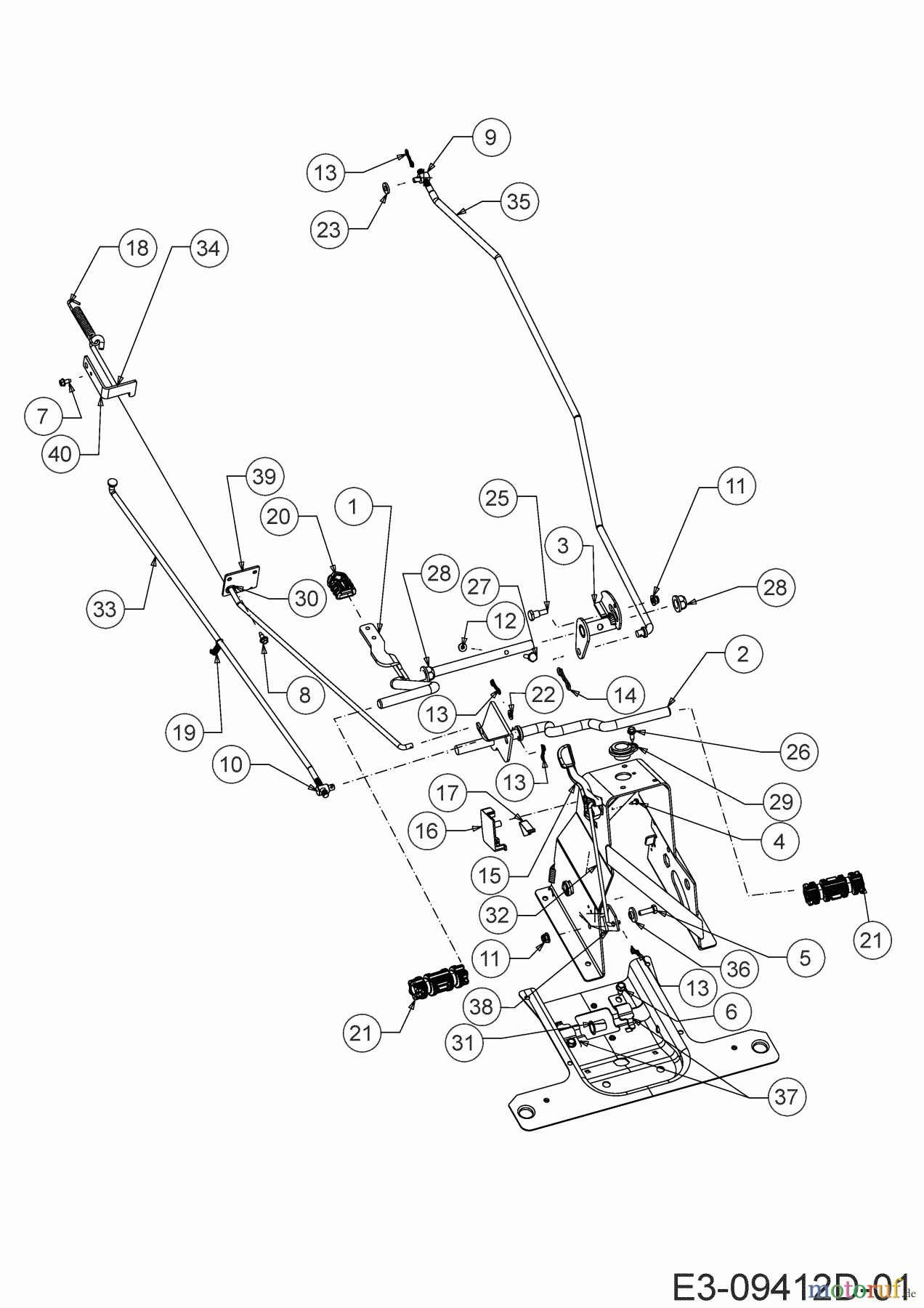
Cub Cadet LR2 MR76 13A721HD603 (2021) Bremsstange, Schaltstange, Pedal Ersatzteile
Bremsstange, Schaltstange, Pedal 13A721HD603 (2021)

Hier finden Sie die Ersatzteilzeichnung für Cub Cadet Rasentraktoren LR2 MR76 13A721HD603 (2021) Bremsstange, Schaltstange, Pedal. Wählen Sie das benötigte Ersatzteil aus der Ersatzteilliste Ihres Cub Cadet Gerätes aus und bestellen Sie einfach online. Viele Cub Cadet Ersatzteile halten wir ständig in unserem Lager für Sie bereit.

















