Cub Cadet LR1 MS76 13B726JD603 (2021) Fahrantrieb Ersatzteile
Fahrantrieb 13B726JD603 (2021)

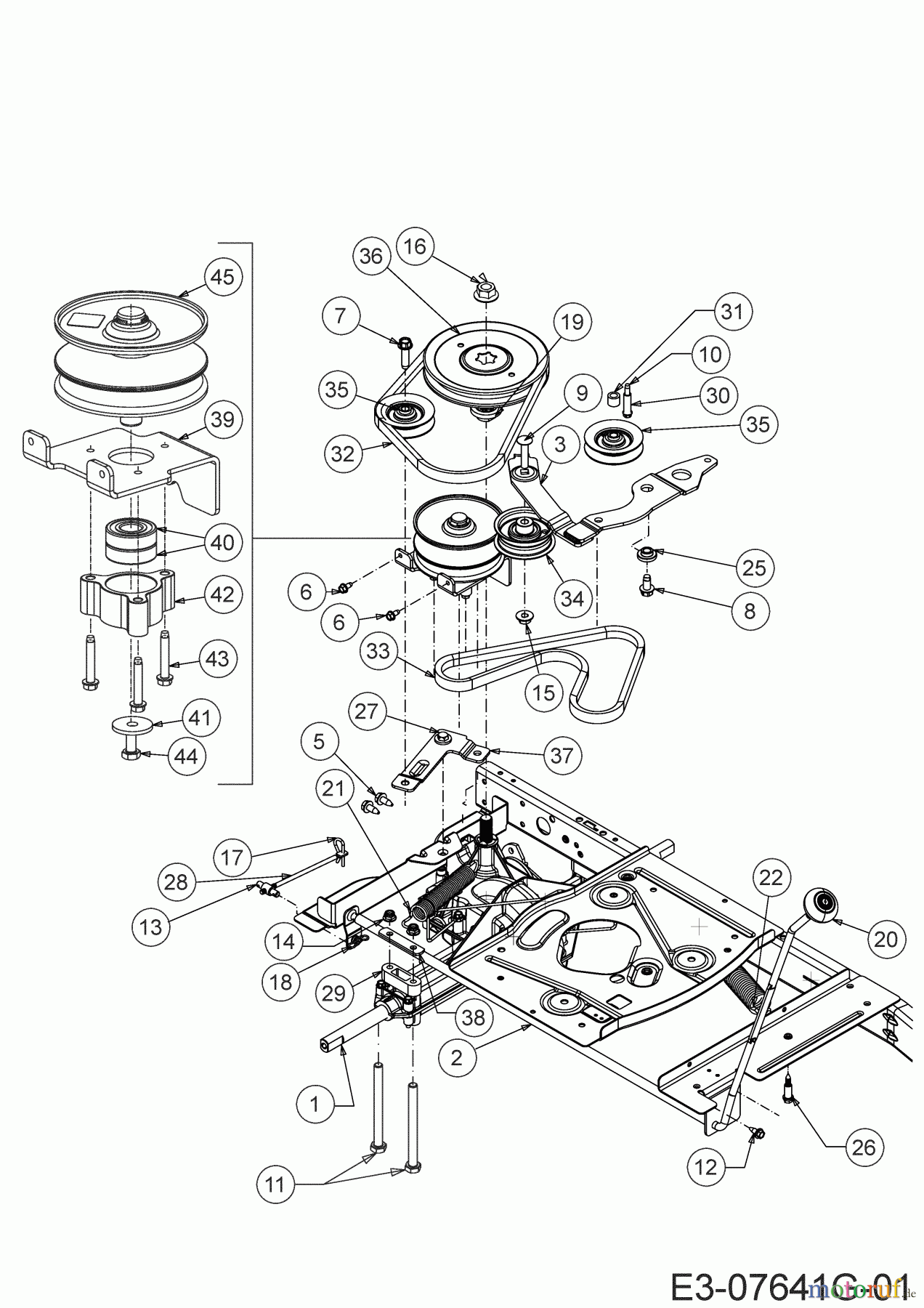
Hier finden Sie die Ersatzteilzeichnung für Cub Cadet Rasentraktoren LR1 MS76 13B726JD603 (2021) Fahrantrieb. Wählen Sie das benötigte Ersatzteil aus der Ersatzteilliste Ihres Cub Cadet Gerätes aus und bestellen Sie einfach online. Viele Cub Cadet Ersatzteile halten wir ständig in unserem Lager für Sie bereit.


Qualitätsmanagement
Informieren Sie uns, wenn Sie einen Fehler gefunden haben.






















