Cub Cadet LT3 PS107 13AJ78BS603 (2023) Fahrantrieb, Keilriemen, Pedal Ersatzteile
Fahrantrieb, Keilriemen, Pedal 13AJ78BS603 (2023)

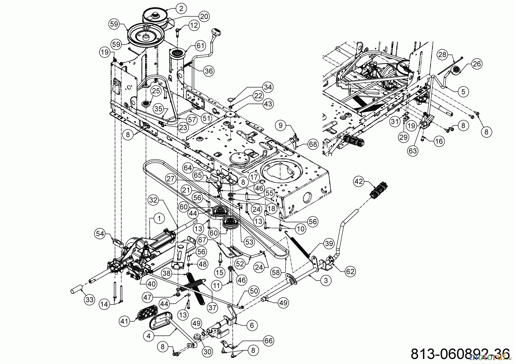
Hier finden Sie die Ersatzteilzeichnung für Cub Cadet Rasentraktoren LT3 PS107 13AJ78BS603 (2023) Fahrantrieb, Keilriemen, Pedal. Wählen Sie das benötigte Ersatzteil aus der Ersatzteilliste Ihres Cub Cadet Gerätes aus und bestellen Sie einfach online. Viele Cub Cadet Ersatzteile halten wir ständig in unserem Lager für Sie bereit.


Qualitätsmanagement
Informieren Sie uns, wenn Sie einen Fehler gefunden haben.































