Cub Cadet LT2 NR92 13BB71DE603 (2022) Messer Ersatzteile
Messer 13BB71DE603 (2022)

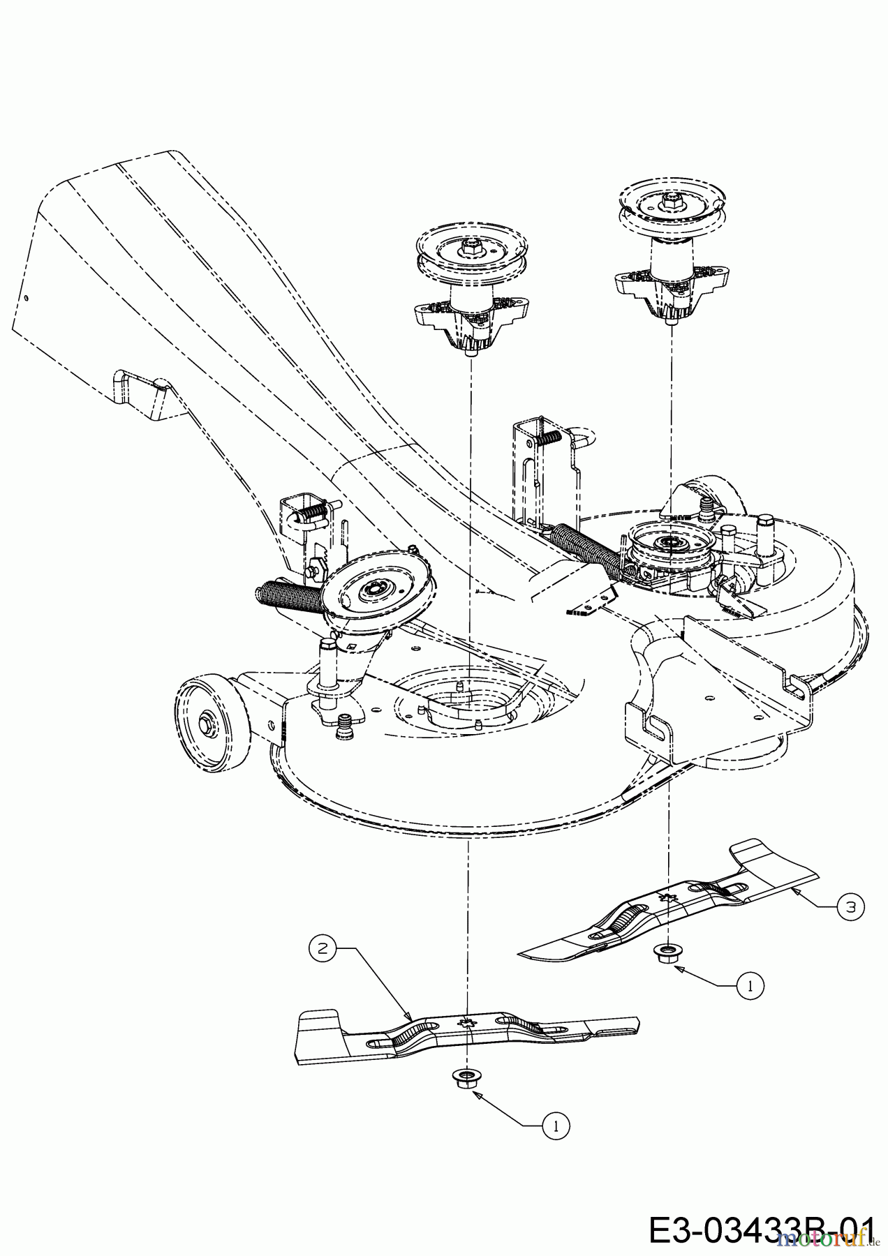
Hier finden Sie die Ersatzteilzeichnung für Cub Cadet Rasentraktoren LT2 NR92 13BB71DE603 (2022) Messer. Wählen Sie das benötigte Ersatzteil aus der Ersatzteilliste Ihres Cub Cadet Gerätes aus und bestellen Sie einfach online. Viele Cub Cadet Ersatzteile halten wir ständig in unserem Lager für Sie bereit.
| BildNr | Artikel Nummer | Bezeichnung | |
| 1 | ![]() | 712-05134 | 6KT-BUNDMUTTER:5/8-18:GR2 |
| 2 | ![]() | 742-04020A | MESSER RECHTS 18.40":LOW LIFT |
| 3 | ![]() | 742-04021A | MESSER LINKS 18.40":LOW LIFT |


Qualitätsmanagement
Informieren Sie uns, wenn Sie einen Fehler gefunden haben.




